EasyManua.ls Logo

Maytag MGC5430BD - Page 4

Maytag MGC5430BD
36 pages
Print Icon
To Next Page IconTo Next Page
To Next Page IconTo Next Page
To Previous Page IconTo Previous Page
To Previous Page IconTo Previous Page
Loading...
4
Connecting Appliance To Gas Supply
A QUALIFIED SERVICE TECHNICIAN OR GAS
APPLIANCE INSTALLER MUST MAKE THE GAS
SUPPLY CONNECTION. Leak testing of the
appliance shall be conducted by the installer
according to the instructions given.
Gas supply piping MUST conform to all local,
municipal and state building codes and local utility
regulations.
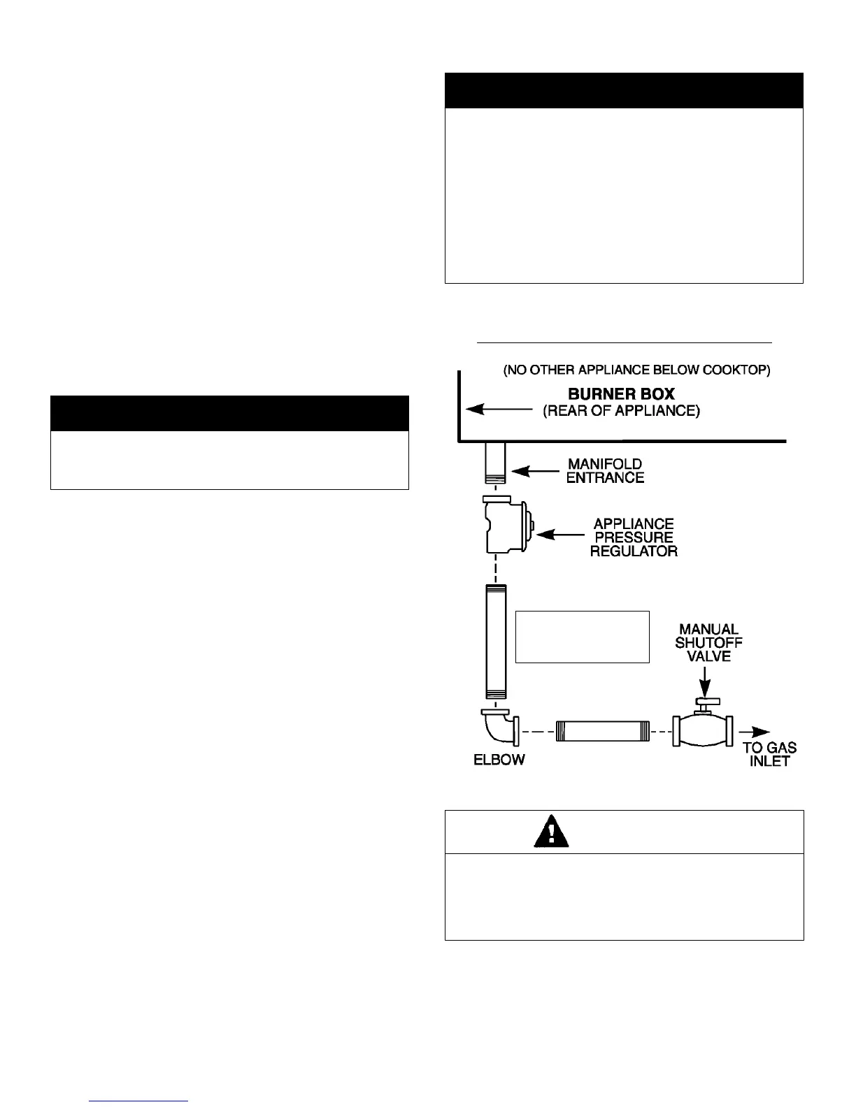
1. IF NO OTHER APPLIANCE IS TO BE INSTALLED
BELOW THIS COOKTOP
Join the appliance pressure regulator supplied with this
appliance to the entrance threads of the Gas Manifold.
The appliance regulator is marked with a directional
arrow indicating correct direction of gas flow. Ensure
the appliance regulator is installed with the arrow
pointing toward the gas manifold entrance. Tighten the
appliance regulator to 20 to 30 ft-lbs of torque.
IMPORTANT
Never tighten to more than 35 ft-lbs of torque. Always
use an approved pipe joint compound resistant to the
action of LP gas.
Install the appliance in its counter cutout.
Make the gas connection to the inlet of the appliance
pressure regulator with 1/2² NPT male pipe threads.
Install a manual shut-off valve in an accessible location in
the gas line ahead of the appliance pressure regulator
and external to this appliance for the purpose of turning
on or shutting off gas to the appliance.
Make additional pipe connections as necessary ahead of
the shut-off valve to the gas supply source. Assure all
pipe joint connections are gas tight.
IMPORTANT
Apply anon-corrosive leak detection fluidto alljoints and
fittings in the gas connection between the supply line
shut-off valve and the cooktop. Include gas fittings and
joints in the cooktop if connections were disturbed
during installation. Check for leaks! Bubbles appearing
around fittings and connections will indicate a leak. If a
leak appears, turn off supply line gas shut-off valve,
tighten connections, turn on the supply line gas shut off
valve, and retest for leaks. Never test for gas leaks with
an open flame.
FIGURE 3
ILLUSTRATIVE GAS SUPPLY PIPING
(3/8² N.P.T.)
ALL SUPPLY SIDE
PIPE JOINTS
1/2² N.P.T.
Gas leaks may occur in your system and result in a
dangerous situation. Gas leaks may not be detected by
smell alone. Gas suppliers recommend you purchase and
install an UL approved gas detector. Install and use in
accordance with the manufacturer’s instructions.
WARNING