EasyManua.ls Logo

Maytag MGDE500WJ1 - Page 5

Maytag MGDE500WJ1
10 pages
Print Icon
To Next Page IconTo Next Page
To Next Page IconTo Next Page
To Previous Page IconTo Previous Page
To Previous Page IconTo Previous Page
Loading...
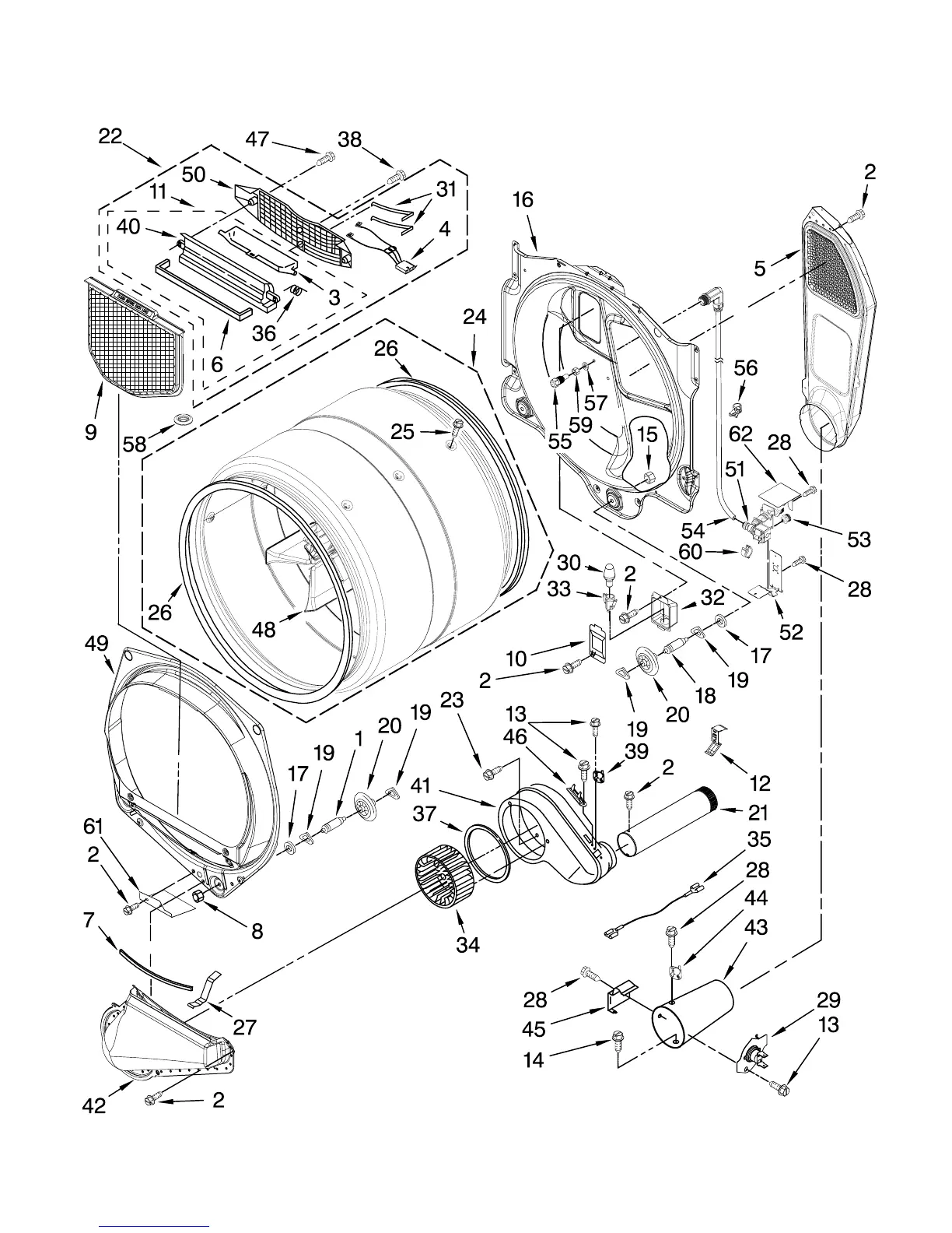
BULKHEAD PARTS
5
(Magna Red) (Oxide)
For Models:MGDE500WR1, MGDE500WJ1
W10303330

Related product manuals