EasyManua.ls Logo

Mazda RX8 - Page 145

Mazda RX8
443 pages
Print Icon
To Next Page IconTo Next Page
To Next Page IconTo Next Page
To Previous Page IconTo Previous Page
To Previous Page IconTo Previous Page
Loading...
FRONT DOOR TRIM
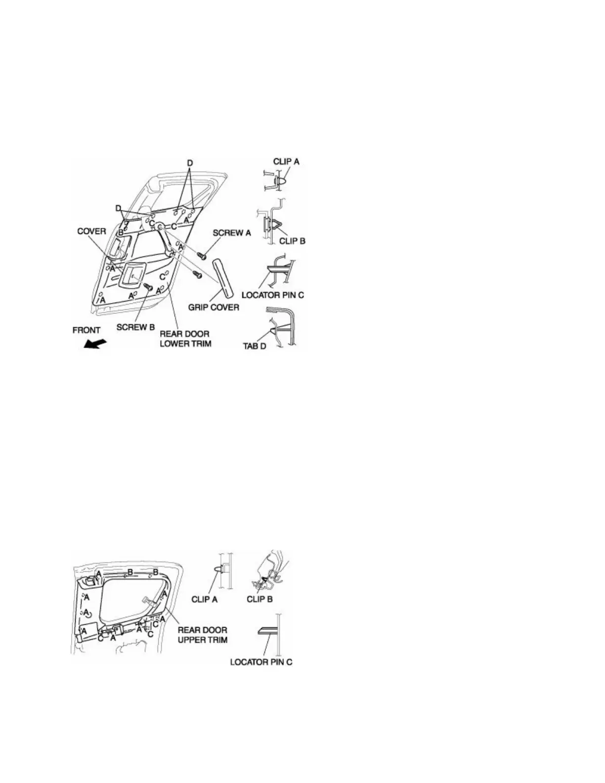
REAR DOOR LOWER TRIM REMOVAL/INSTALLATION
1. Remove the grip cover, then remove screws A.
2. Using a small flathead screwdriver, open the cap and remove screw B.
3. Remove the cover while rotating it to the front.
4. Detach clips A, B, locator pins C, and tabs D from the rear door using a fastener remover.
5. Remove the rear door lower trim.
6. Install in the reverse order of removal.
REAR DOOR UPPER TRIM REMOVAL/INSTALLATION
1. Remove the upper anchor of the front seat belt.(See FRONT SEAT BELT
REMOVAL/INSTALLATION .)
2. Remove the rear door lower trim.(See REAR DOOR LOWER TRIM REMOVAL/INSTALLATION .)
3. Pull the rear door upper trim outward and detach clips A, B and locator pins C from the body.
4. Remove the rear door upper trim.
5. Install in the reverse order of removal.
(w) RX-8 Body
Page 145

Other manuals for Mazda RX8

Related product manuals