EasyManua.ls Logo

Mazda RX8 - Page 188

Mazda RX8
443 pages
Print Icon
To Next Page IconTo Next Page
To Next Page IconTo Next Page
To Previous Page IconTo Previous Page
To Previous Page IconTo Previous Page
Loading...
DISCHARGE HEADLIGHT
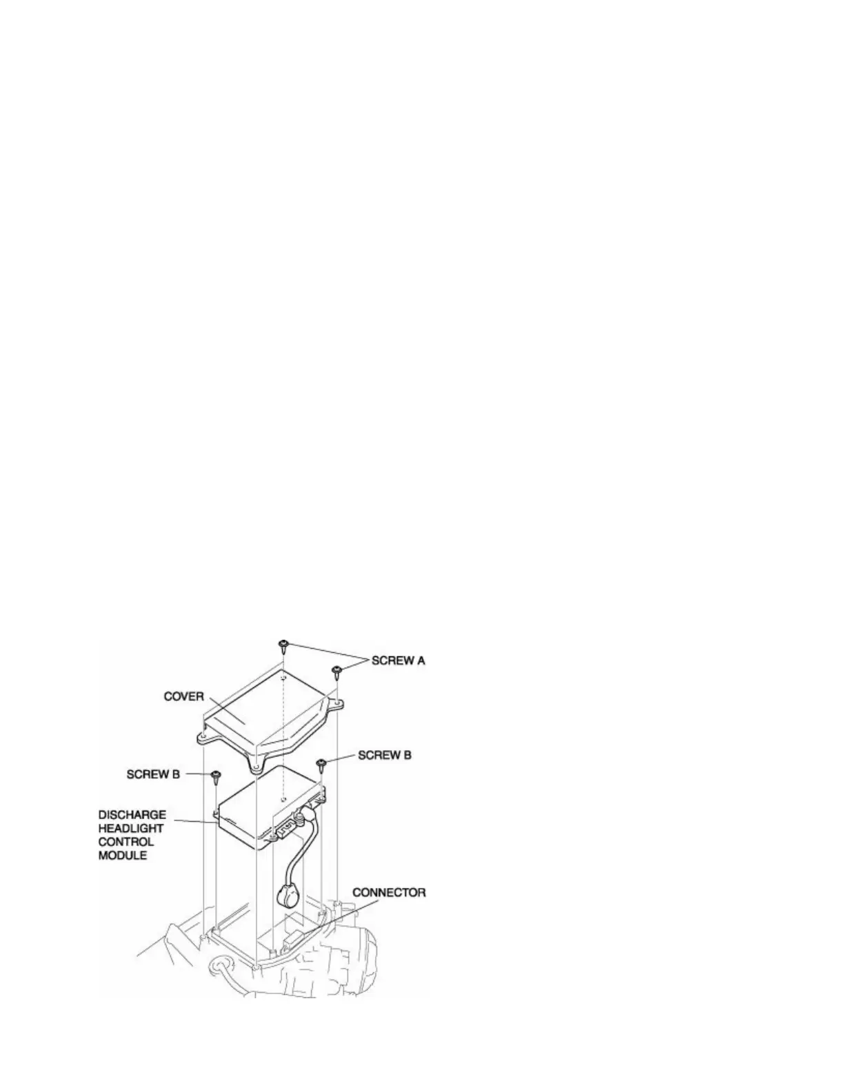
DISCHARGE HEADLIGHT CONTROL MODULE REMOVAL/INSTALLATION
WARNING:
Incorrect servicing of the discharge headlights could result in electrical shock. Before servicing the
discharge headlights, always refer to the discharge headlight service warnings. (See DISCHARGE
HEADLIGHT SERVICE WARNINGS .)
1. Disconnect the negative battery cable.
2. Remove the front side marker lights.(See FRONT SIDE MARKER LIGHT
REMOVAL/INSTALLATION .)
3. Remove the front bumper.(See FRONT BUMPER REMOVAL/INSTALLATION .)
4. Remove the front combination lights.(See FRONT COMBINATION LIGHT
REMOVAL/INSTALLATION .)
5. Remove screws A, then remove the cover.
(w) RX-8 Body
Page 188

Other manuals for Mazda RX8

Related product manuals