EasyManua.ls Logo

Mazda RX8 - Page 193

Mazda RX8
443 pages
Print Icon
To Next Page IconTo Next Page
To Next Page IconTo Next Page
To Previous Page IconTo Previous Page
To Previous Page IconTo Previous Page
Loading...
2. Remove the front side marker lights.(See FRONT SIDE MARKER LIGHT
REMOVAL/INSTALLATION .)
3. Remove the front bumper.(See FRONT BUMPER REMOVAL/INSTALLATION .)
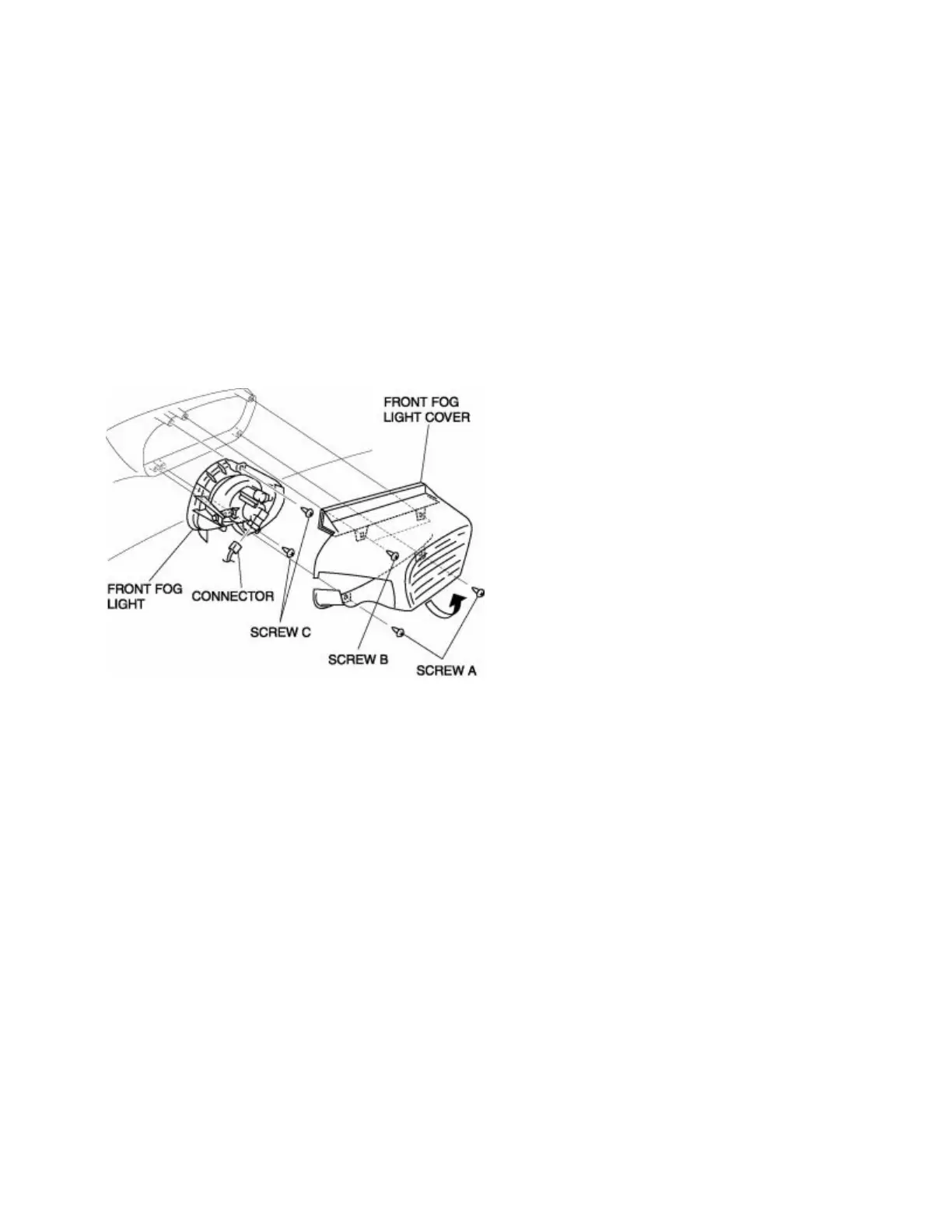
4. Disconnect the connector.
5. Remove screws A and pull back the front fog light cover in the direction of the arrow.
6. Remove screw B, then remove the front fog light cover.
7. Remove screws C, then remove the front fog light.
8. Install in the reverse order of removal.
9. Adjust the front fog light aiming.(See FRONT FOG LIGHT AIMING .)
FRONT FOG LIGHT AIMING
1. Adjust the tire pressure to the specification.
(w) RX-8 Body
Page 193

Other manuals for Mazda RX8

Related product manuals