EasyManua.ls Logo

Mazda RX8 - Page 230

Mazda RX8
443 pages
Print Icon
To Next Page IconTo Next Page
To Next Page IconTo Next Page
To Previous Page IconTo Previous Page
To Previous Page IconTo Previous Page
Loading...
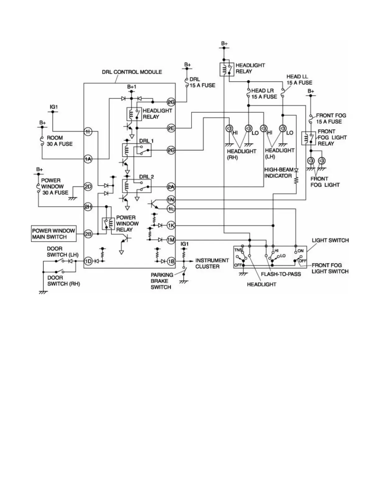
DRL SYSTEM WIRING DIAGRAM
(w) RX-8 Body
Page 230

Other manuals for Mazda RX8

Related product manuals