EasyManua.ls Logo

Mazda RX8 - Front Bumper Removal and Installation

Mazda RX8
443 pages
Print Icon
To Next Page IconTo Next Page
To Next Page IconTo Next Page
To Previous Page IconTo Previous Page
To Previous Page IconTo Previous Page
Loading...
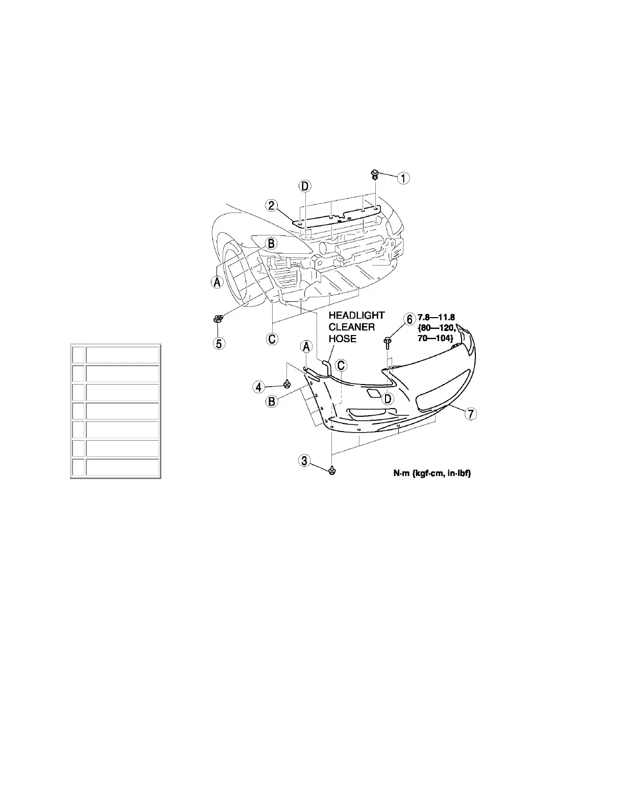
BUMPER
FRONT BUMPER REMOVAL/INSTALLATION
1. Disconnect the negative battery cable.
2. Disconnect the front fog light connectors for vehicles with front fog lights.
3. Remove the front side marker lights.
4. Remove in the order indicated in the table.
1 Fastener A
2 Seal plate
3 Screw A
4 Screw B
5 Fastener B
6 Bolt
7 Front bumper
5. Disconnect the headlight cleaner hose for vehicles with the headlight cleaner.
6. Install in the reverse order of removal.
7. Adjust the front fog light aiming for vehicles with the front fog lights.
Front Bumper Removal Note
1. Pull the front bumper ends (wheel arch) outward to detach from the bumper slider.
CAUTION:
When detaching the front bumper from the bumper slider, the front bumper could fall and be
damaged. Secure the front bumper so that it does not fall.
(w) RX-8 Body
Page 9

Other manuals for Mazda RX8

Related product manuals