EasyManua.ls Logo

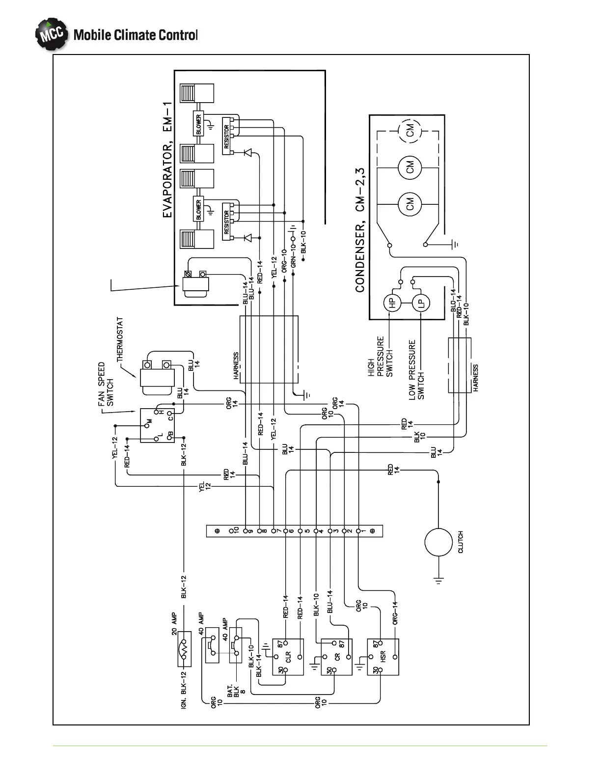
MCC EM-1 - GEN 4 System Schematic - EM-1 With CM-2;3

MCC EM-1
74 pages
Print Icon
To Next Page IconTo Next Page
To Next Page IconTo Next Page
To Previous Page IconTo Previous Page
To Previous Page IconTo Previous Page
Loading...
5-- 3
© 2012 Mobile Climate Control
T-299 Rev. 08/2012
FREEZESTAT
Figure 5-3 GEN 4 System Schematic - EM-1 With CM-2/3

Related product manuals