EasyManua.ls Logo

McIntyre 500 - 500 And 600

Default Icon
68 pages
Print Icon
To Next Page IconTo Next Page
To Next Page IconTo Next Page
To Previous Page IconTo Previous Page
To Previous Page IconTo Previous Page
Loading...
47
320/407/500/600.41912-ENG
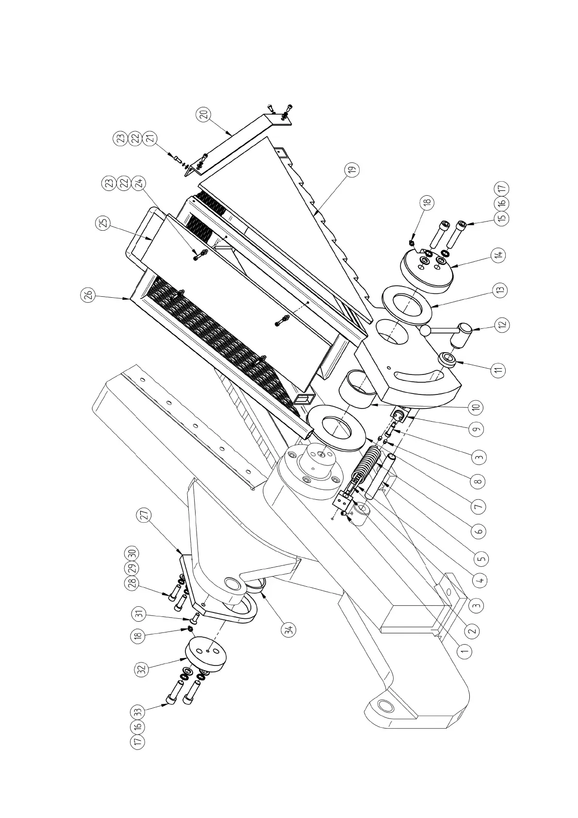
7.1.2. 500 and 600

Table of Contents

Related product manuals