EasyManua.ls Logo

McQuay MDB250B2 - Page 81

McQuay MDB250B2
163 pages
Print Icon
To Next Page IconTo Next Page
To Next Page IconTo Next Page
To Previous Page IconTo Previous Page
To Previous Page IconTo Previous Page
Loading...
80
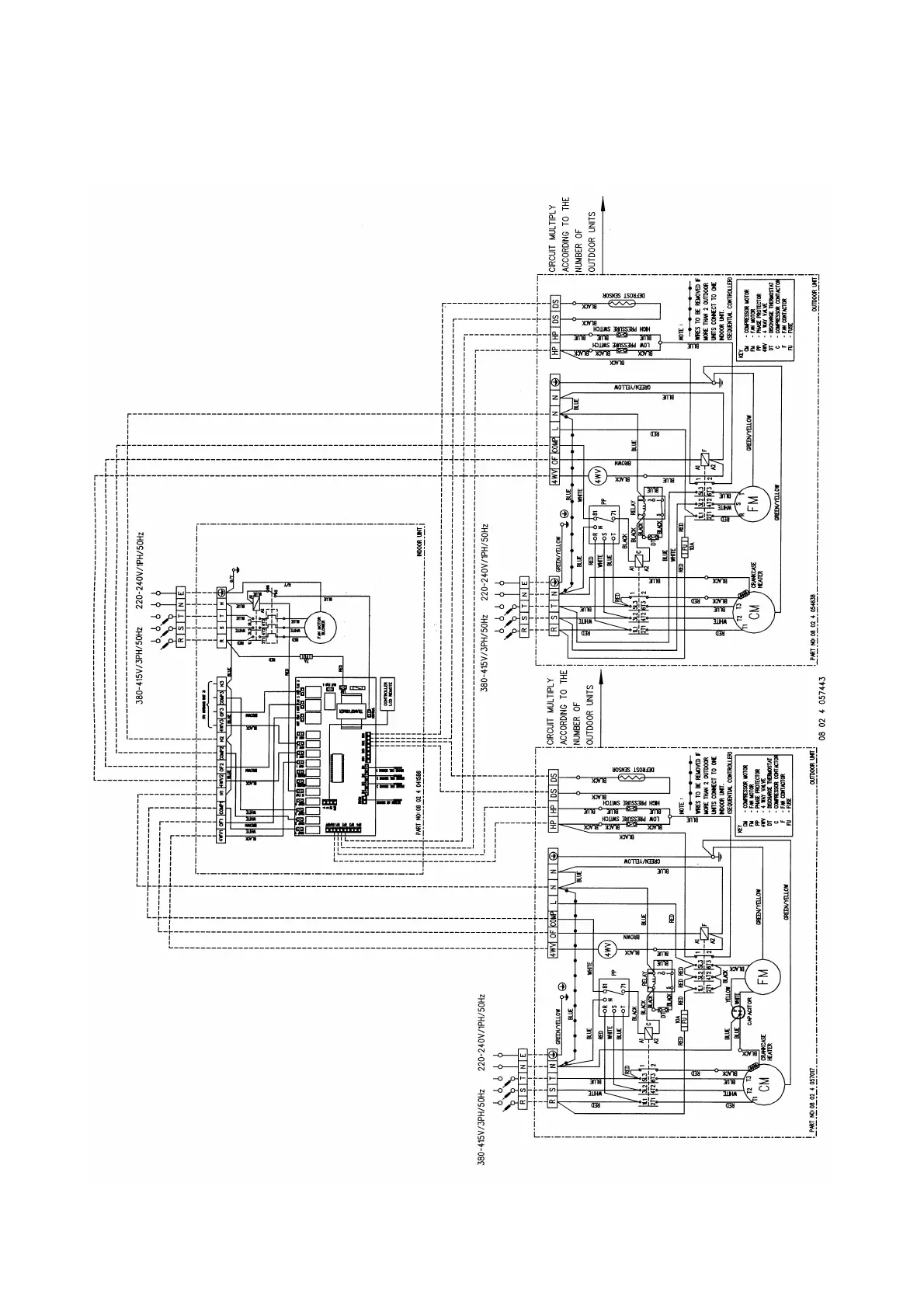
MODEL : INDOOR - MDB 350 BR3 (WITH SEQUENTIAL CONTROLLER)
OUTDOOR – MMC 100BR x 1 / MMC125BR x 2 (WITH PHASE PROTECTOR/
DISCHARGE THERMOSTAT/ AUTO RESET HI/LO PRESSURE SWITCH)

Related product manuals