EasyManua.ls Logo

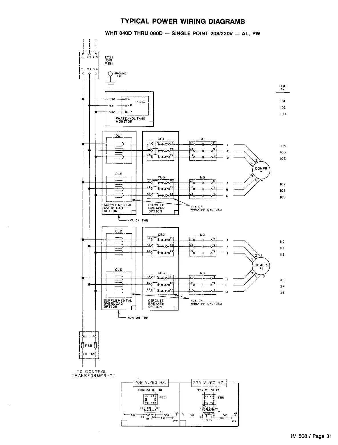
McQuay WHR 060 - Power Wiring Diagrams

McQuay WHR 060
49 pages
Print Icon
To Next Page IconTo Next Page
To Next Page IconTo Next Page
To Previous Page IconTo Previous Page
To Previous Page IconTo Previous Page
Loading...

Related product manuals