EasyManua.ls Logo

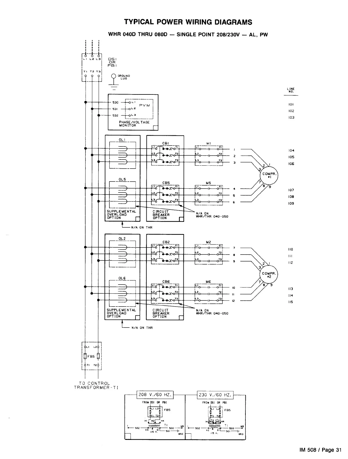
McQuay WHR 130 - POWER WIRING DIAGRAMS; Single Point Power Wiring Diagrams

McQuay WHR 130
49 pages
Print Icon
To Next Page IconTo Next Page
To Next Page IconTo Next Page
To Previous Page IconTo Previous Page
To Previous Page IconTo Previous Page
Loading...

Related product manuals