EasyManua.ls Logo

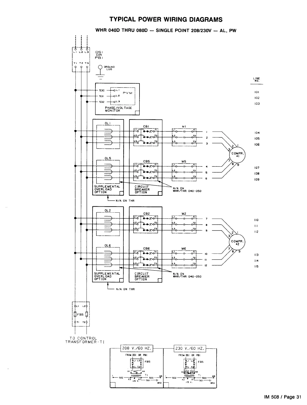
McQuay WHR 150 - TYPICAL POWER WIRING DIAGRAMS; WHR 040-110 D Wiring Diagrams

McQuay WHR 150
49 pages
Print Icon
To Next Page IconTo Next Page
To Next Page IconTo Next Page
To Previous Page IconTo Previous Page
To Previous Page IconTo Previous Page
Loading...

Related product manuals