EasyManua.ls Logo

McQuay WSC 063 - Page 20

McQuay WSC 063
53 pages
Print Icon
To Next Page IconTo Next Page
To Next Page IconTo Next Page
To Previous Page IconTo Previous Page
To Previous Page IconTo Previous Page
Loading...
20 IM 1128-2
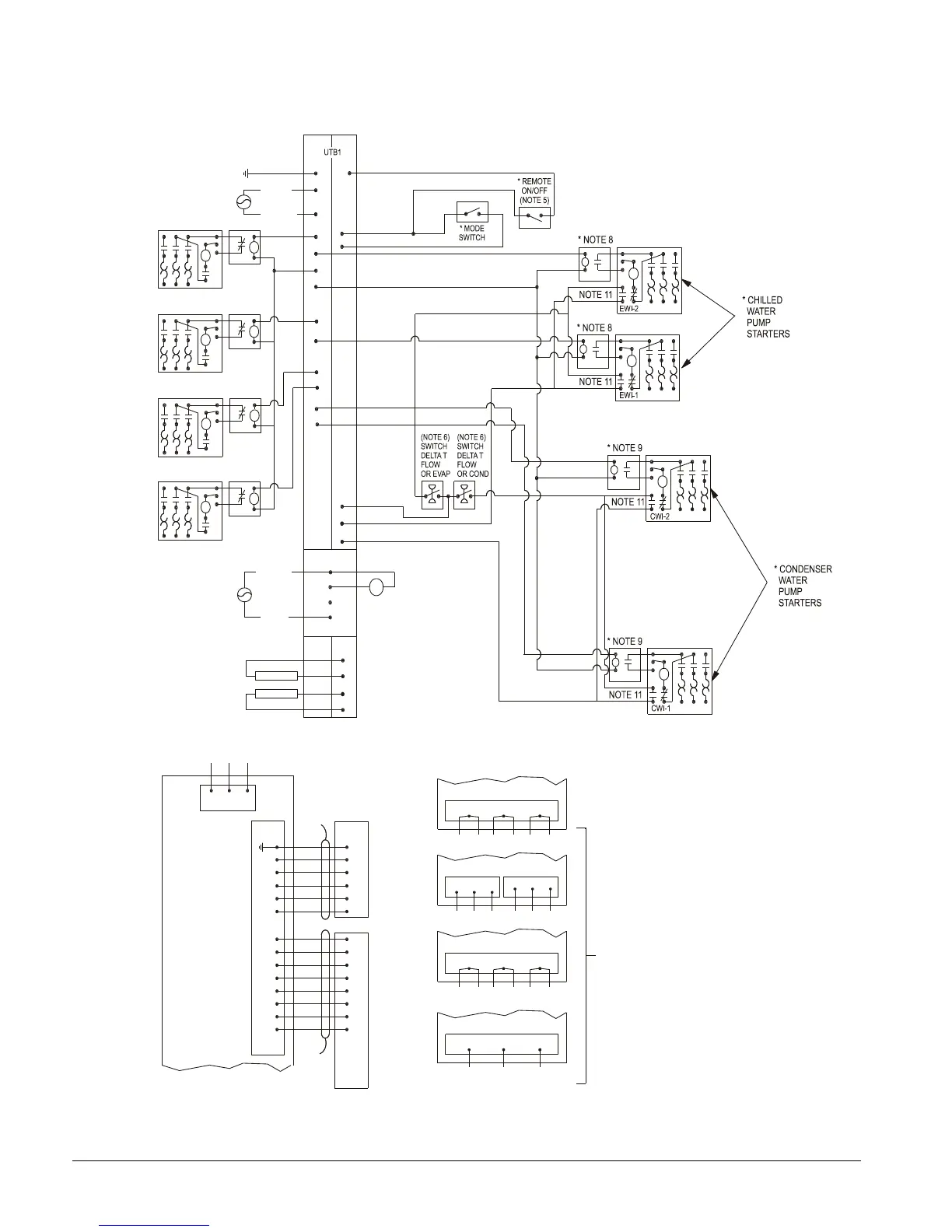
Figure 13, Typical Field Connection Diagram, WSC Unit
80
CP2
CP1
H
O
A
C4
H
A
O
C3
H
A
O
79
78
77
74
73
54
CF
86
EF
86
C
25
1
2
11
11
12
22
1
2
6
11
12
22
NOTE 2
NOTE 2
(115V) (24V)
25
55
70
H
A
O
H
A
O
H
O
A
C
H
O
A
C
H
O
A
C
C2
C1
T3-S
PE
L1
L2CP2
CP1
24
23(5A)
24(5)
23
3
4
3
4
76
75
PE
85
86
81
84
A
82(NO)
83(NC)
POWER
EP2
EP1
L1 L2 L3
GND
T4 T5 T6
T1 T2 T3
T4 T5 T6T1 T2 T3
T1 T2 T3
T3T1 T2
U V W
T4 T3 T5T1 T6 T2
T1 T2 T3
T4 T3 T5T1 T6 T2
GND
LESS
THAN
30V
OR
24VAC
53
71
71
52
1-10 VDC
1-10 VDC
MICROTECH CONTROL
BOX TERMINALS
* COOLING
TOWER
FOURTH
STAGE
STARTER
* COOLING
TOWER
THIRD
STAGE
STARTER
* COOLING
TOWER
SECOND
STAGE
STARTER
* COOLING
TOWER
FIRST
STAGE
STARTER
COOLING TOWER
BYPASS VALVE
COOLING TOWER VFD
ALARM RELAY
(NOTE 4)
MICROTECH
COMPRESSOR CONTROL
BOX TERMINALS
CTB1
-LOAD-
COMPRESSOR
MOTOR
STARTER
(NOTE 1)
115 VAC
STARTER LOAD SIDE TERMINBALS
VFD
STARTER LOAD SIDE TERMINBALS
WYE-DELTA
STARTER LOAD SIDE TERMINBALS
SOLID STATE
STARTER LOAD SIDE TERMINBALS
MEDIUM AND HIGH VOLTAGE
COMPRESSOR TERMINALS
COMPRESSOR TERMINALS
COMPRESSOR TERMINALS
COMPRESSOR TERMINALS
NOTE 12
- FOR DC VOLTAGE AND 4-20 MA
CONNECTIONS (SEE NOTE 3)
- FOR DETAILS OF CONTROL REFER
TO UNIT CONTROL SCHEMATIC
330342103
- COMPRESSOR CONTROL
SCHEMATIC 330342203
- LEGEND: 330343003
* FIELD SUPPLIED ITEM
* NOTE 7
* NOTE 10
* NOTE 10
* NOTE 10
* NOTE 10
330387901-0A
COMMON
NEUTRAL
POWER

Related product manuals