EasyManua.ls Logo

McQuay WSC 063 - Page 23

McQuay WSC 063
53 pages
To Next Page IconTo Next Page
To Next Page IconTo Next Page
To Previous Page IconTo Previous Page
To Previous Page IconTo Previous Page
Loading...
IM 1128-2 23
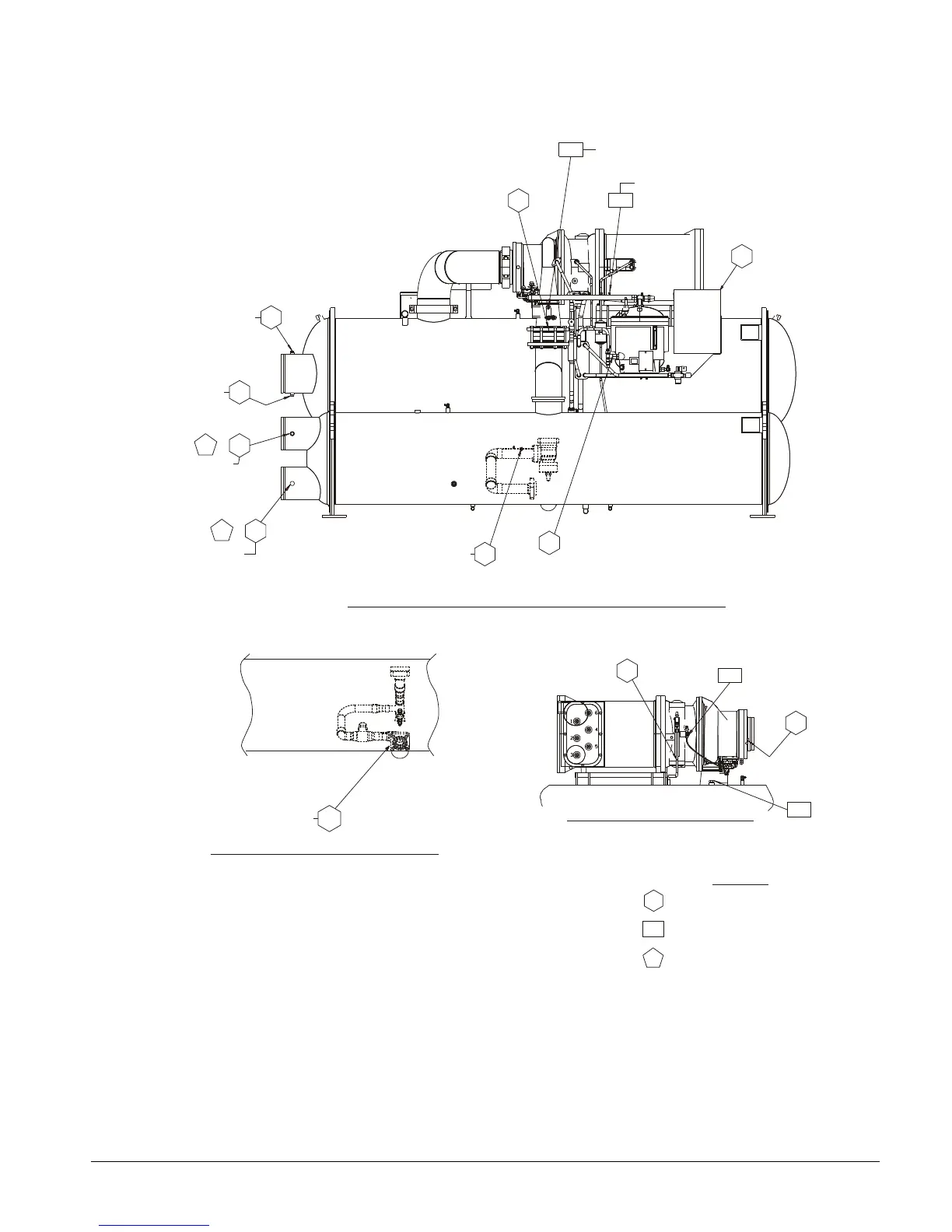
Figure 16, Unit Electrical and Sensor Locations
Note: See Figure 17 for reference detail drawings.
R3313115
CS10
US04
CS05
US05
CS04
CS09
CS02
CS03
&
&
EVAPORATOR
STANDARD PRESSURE TRANSDUCER
STANDARD TEMPERATURE SENSOR
OPTIONAL TEMPERATURE SENSOR
SEE DETAIL A
SEE DETAIL C
SEE DETAIL E
SEE DETAIL D
SEE DETAIL D
SEE DETAIL D
SEE DETAIL F
CS01
US02
US10
US09 US03
CS07
CS06
CS08
FRONT VIEW AT COMPRESSOR
FIELD
OPTION
US05
SEE DETAIL E
EVAPORATOR
WITH ELECTRONIC EXPANSION VALVE
REAR VIEW SHOWN WITH PILOT OPERATED EXPANSION VALVE
LEGEND
SEE DETAIL B
SEE
DETAIL D

Related product manuals