EasyManua.ls Logo

McQuay WSC 087

McQuay WSC 087
53 pages
To Next Page IconTo Next Page
To Next Page IconTo Next Page
To Previous Page IconTo Previous Page
To Previous Page IconTo Previous Page
Loading...
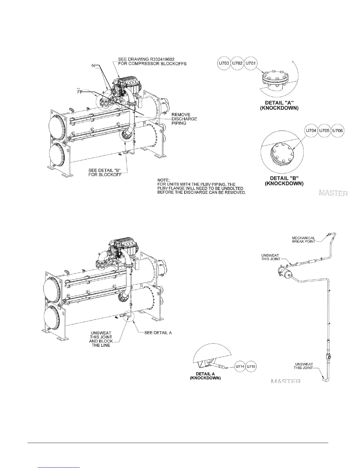
50 IM 1128-2
Figure 30, Type IV, Suction and Discharge Line Removal
Figure 31, Type IV, Motor Cooling Line Removal
Suction Line (2)
Discharge Line (2)

Related product manuals