EasyManua.ls Logo

MCS Master B 130 - Page 19

Default Icon
30 pages
Print Icon
To Next Page IconTo Next Page
To Next Page IconTo Next Page
To Previous Page IconTo Previous Page
To Previous Page IconTo Previous Page
Loading...
B 230 - B 360 - BV 110E - BV 170E - BV 290E
B 230DV - B 360DV - BV 110DV - BV 170DV - BV 290DV
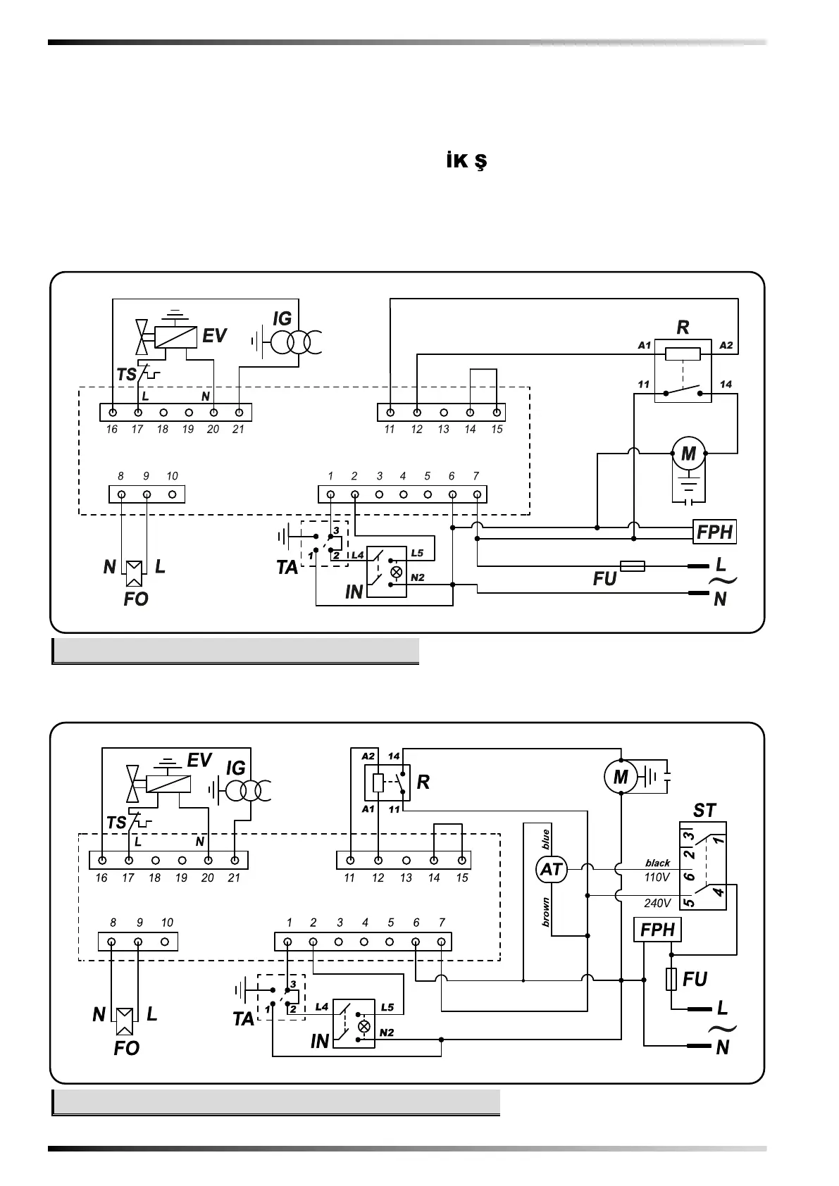
WIRING DIAGRAMS - SCHEMI ELETTRICI - SCHALTPLÄNE - ESQUEMAS
ELÉCTRICOS - SCHEMAS ELECTRIQUES - ELEKTRISCHE SCHEMA’S - ESQUE-
MAS ELÉCTRICOS - ELEKTRISKE SKEMAER - SÄHKÖKAAVIOT - KOPLINGS-
SKJEMA - ELEKTRISKA KOPPLINGSSCHEMAN - SCHEMATY ELEKTRYCZNE
- ЭЛЕКТРИЧЕСКИЕ СХЕМЫ - ELEKTRICKÁ SCHÉMATA - VILLANYBEKÖTÉSI
RAJZOK - ELEKTRIČNE SHEME - ELEKTR
EMALARI - ELEKTRIČNE SH-
EME - ELEKTROS SCHEMOS - ELEKTRISKĀS SHĒMAS - ELEKTRISKEEMID
- SCHEME ELECTRICE - ELEKTRICKÉ SCHÉMY - ЕЛЕКТРИЧЕСКИ СХЕМИ
- ЕЛЕКТРИЧНІ СХЕМИ - ELEKTRIČNE ŠEME - ΗΛΕΚΤΡΙΚΑ ΣΧΕΔΙΑ - 线路图
-
ЭЛЕКТРЛІ СҮЛБЕЛЕР

Related product manuals