EasyManua.ls Logo

MECNOSUD SP100 - Page 33

Default Icon
35 pages
Print Icon
To Next Page IconTo Next Page
To Next Page IconTo Next Page
To Previous Page IconTo Previous Page
To Previous Page IconTo Previous Page
Loading...
33
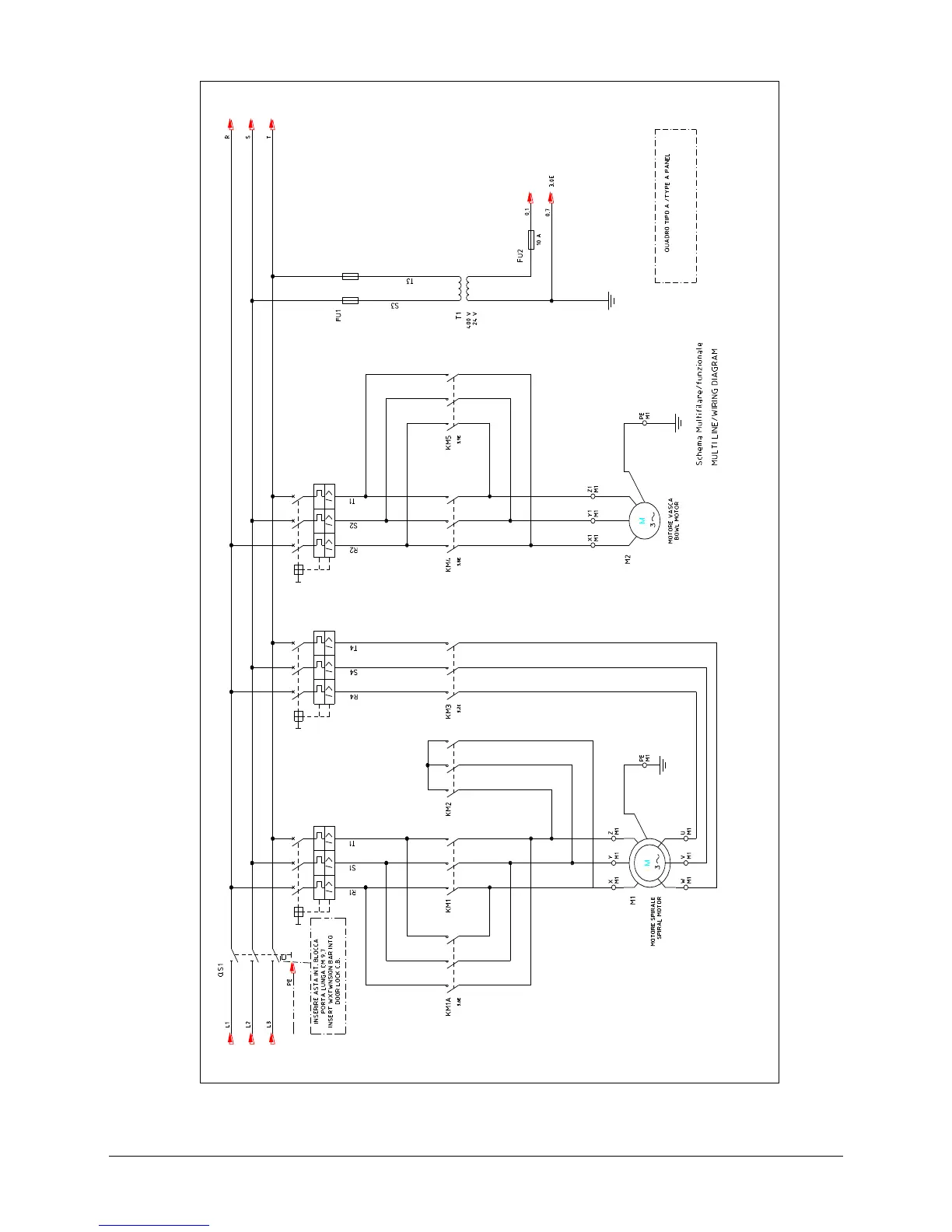
6.5 ELECTRICAL POWER SCHEME
QF1 QF2QF3

Related product manuals