EasyManua.ls Logo

MEDC CU1-S - Page 2

Default Icon
28 pages
Print Icon
To Next Page IconTo Next Page
To Next Page IconTo Next Page
To Previous Page IconTo Previous Page
To Previous Page IconTo Previous Page
Loading...
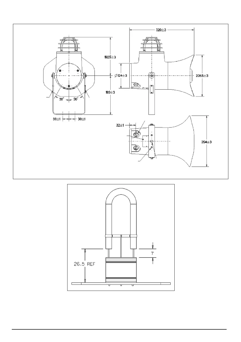
GENERAL ARRANGEMENT/DISPOSITION GÉNÉRALE/ÜBERSICHTSZEICHNUNG/DISPOSIÇÃO GERAL
/ DISPOSICIÓN GENERAL
DUTY/TAG LABEL
ÉTIQUETTE DE SERVICE
BETRIEBSART-ETIKETT
ETIQUETA DE SERVIÇO
ETIQUETA DE SERVICIO
DUTY/TAG LABEL
ÉTIQUETTE DE SERVICE
BETRIEBSART-ETIKETT
ETIQUETA DE SERVIÇO
ETIQUETA DE SERVICIO
GLAND ENTRIES
ENTRÉES DE PRESSE-ETOUPE
ANSCHLUSSSTUTZEN-ÖFFNUNGEN
ENTRADAS DOS PRENSA-CABOS
ENTRADAS PRENSACABLES
CERTIFICATION LABEL
NIVEAU DE CERTIFICATION
PRÜFETIKETT
ETIQUETA DE CERTIFICAÇÃO
ETIQUETA DE CERTIFICACIÓN
FIXING HOLE Ø9±1 2 OFF POS
TROU DE FIXATION Ø9±1 2 POSITION
BEFESTIGUNGSBOHRUNG Ø9±1 2 POSITIONEN
FURO DE FIXAÇÃO Ø9 ± 1 mm, 2 POSIÇÕES
ORIFICIO DE FIJACIÓN Ø9±1 2 POSICIONES
FIXING HOLE Ø13±1
TROU DE FIXATION 13±1
BEFESTIGUNGSBOHRUNG 13±1
FURO DE FIXAÇÃO Ø13 ± 1 mm
ORIFICIO DE FIJACIÓN Ø13±1
11/10 © MEDC 2010
Figure 1.
Figure 1.
Abbildung 1.
Fitura 1.
Figura 1.
Figure 2.
Figure 2.
Abbildung 2.
Fitura 2.
Figura 2.

Related product manuals