EasyManua.ls Logo

MEDC DB3B - Maintenance and General Arrangement; General Arrangement Diagrams; Unit Maintenance and Cleaning

MEDC DB3B
48 pages
Print Icon
To Next Page IconTo Next Page
To Next Page IconTo Next Page
To Previous Page IconTo Previous Page
To Previous Page IconTo Previous Page
Loading...
05/14
© MEDC 2014
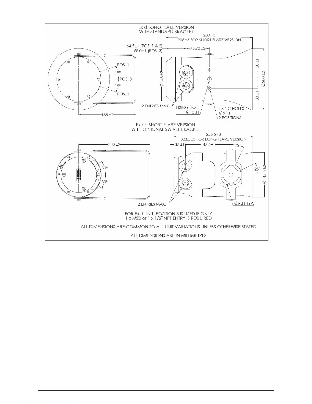
GENERAL ARRANGEMENT
5.0 MAINTENANCE
During the working life of the unit, it should require little or no maintenance. GRP will resist attack by most acids,
alkalis and chemicals and is as resistant to concentrated acids and alkalis as most metal products.
However, if abnormal or unusual environmental conditions occur due to plant damage or accident etc., then visual
inspection is recommended.
If the unit requires cleaning, then only clean exterior with a damp cloth to avoid electro-static charge build up.
If a unit fault should occur, then the unit can be repaired by MEDC.
If you acquired a significant quantity of units, then it is recommended that spares are also made available. Please
discuss your requirements with the Technical Sales Engineers at MEDC.

Related product manuals