EasyManua.ls Logo

MEDC DB3B - Page 43

MEDC DB3B
48 pages
Print Icon
To Next Page IconTo Next Page
To Next Page IconTo Next Page
To Previous Page IconTo Previous Page
To Previous Page IconTo Previous Page
Loading...
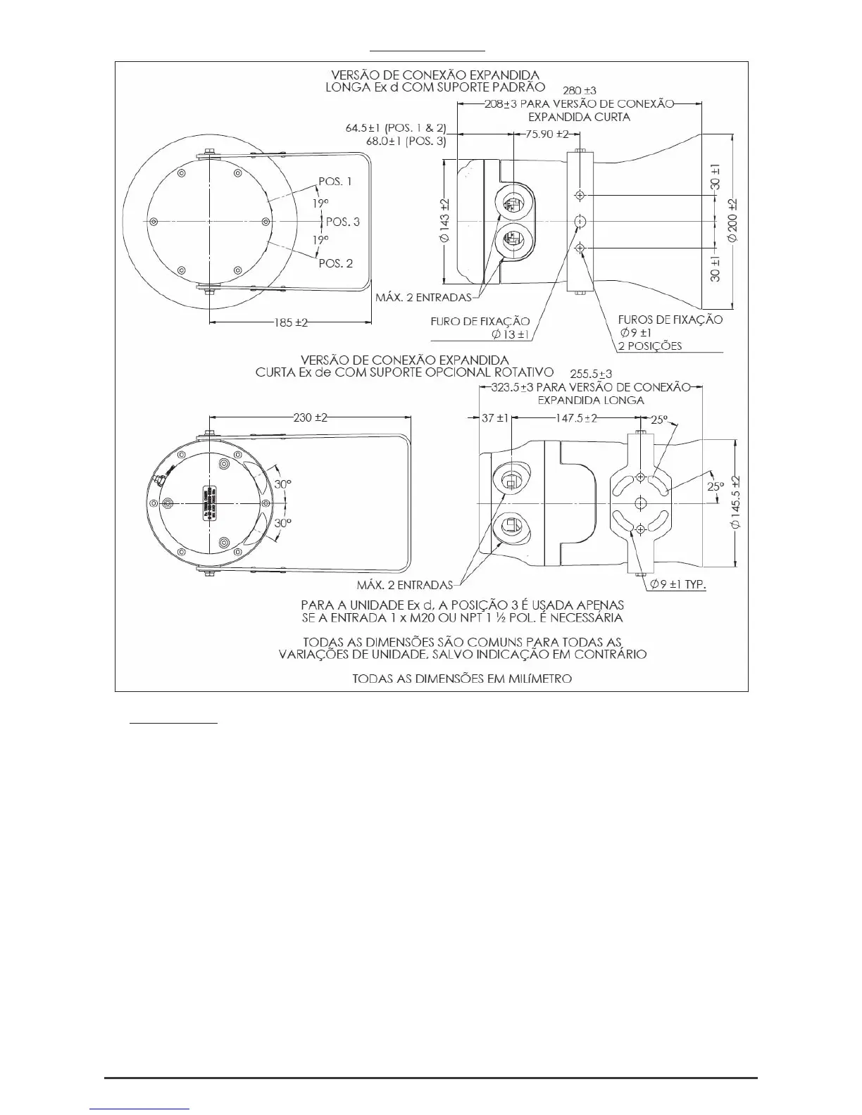
DISPOSIÇÃO GERAL
5.0 MANUTENÇÃO
Durante a sua vida útil, a unidade necessita de pouca ou nenhuma manuteão. O poliéster reforçado com fibra
de vidro (GRP) resiste ao ataque da maioria dos ácidos, bases e produtos químicos em geral, sendo resistente a
ácidos e bases concentrados, como a maior parte dos produtos metálicos.
Todavia, recomenda-se uma inspeção visual caso aconteçam condições ambientais anormais ou incomuns
decorrentes de danos na instalação ou acidentes, etc.
Se a unidade necessitar de limpeza, limpe apenas a parte externa utilizando um pano úmido para evitar o
acúmulo de cargas eletrostáticas.
Se ocorrer uma falha da unidade, esta poderá ser reparada pela MEDC.
Se tiver adquirido uma quantidade significativa de unidades, recomendamos que também tenha as peças de
reposição disponíveis. Entre em contato com os Engenheiros de Vendas Técnicas da MEDC para discutir com eles
as suas necessidades.
© MEDC 2014
05/14

Related product manuals