EasyManua.ls Logo

MEM TQB-4050 - Circuit Diagram

Default Icon
8 pages
Print Icon
To Next Page IconTo Next Page
To Next Page IconTo Next Page
To Previous Page IconTo Previous Page
To Previous Page IconTo Previous Page
Loading...
MEM (Shenyang Shicheng Printing Machinery Co., Ltd.) | sales@cnmem.cn | +86 13889380068
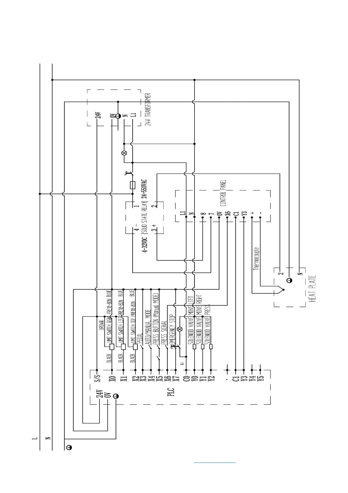
Circuit diagram

Related product manuals