EasyManua.ls Logo

MERIH DDC70 - DDC80 WIRING DIAGRAM

MERIH DDC70
150 pages
Print Icon
To Next Page IconTo Next Page
To Next Page IconTo Next Page
To Previous Page IconTo Previous Page
To Previous Page IconTo Previous Page
Loading...
Her türlü değişiklik hakkı saklıdır.
KLV-09/Yayın Tarihi : 09.03.2023/Revizyon No: 00 /Revizyon Tarihi:
Sayfa :
Güncel dokümanlar için www.merihasansor.com adresini ziyaret ediniz!
Belirtilmeyen tüm ölçü birimleri milimetredir.(mm)
KULLANIM KILAVUZU
DDC70/DDC80
Her türlü değişiklik hakkı saklıdır.
KLV-09/Yayın Tarihi : 09.03.2023/Revizyon No: 00 /Revizyon Tarihi:
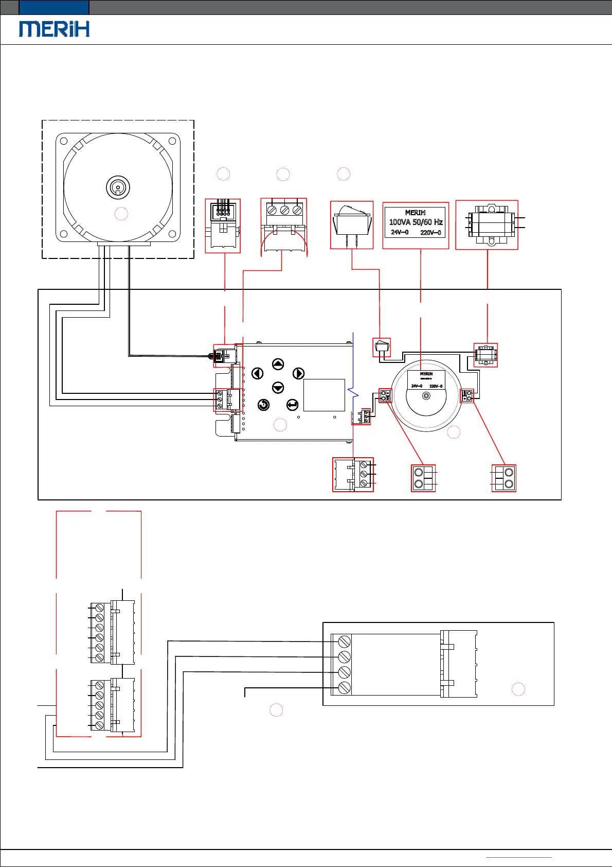
5.Bağlantı Şeması
DDC70 Bağlantı Şeması
LCD
EKRAN
MOTOR
TRAFO
0
220V
0
24V
0
24V
COM
DSE
MOTOR
U V
W
ANAHTAR
220 V AC
L
N
(II) AÇMA **
(I) KAPAMA
(-) 1000
(III) ORTAK
ANA
KUMANDA
PANOSU
+ 24 V DC *
yada
+ 220 V AC *
I4
I3
I2
I1
ICOM
24V
S4
S3
S2
S1
GND
1 2 3
4
5
6
7
8
* Açma ve Kapama sinyalleri için 24 DC veya 220 AC
kullanılabilir.
** Yalnızca kapama sinyali kullanılıp açma sinyali için herhangi
bir bağlantı yapılmayacaksa, DDC70'ın menüsünden soket
ayarlarına girilip
"I2 Kapıyı Aç" parametresi "Yok- Bağlı değil" seçilmelidir.
28