EasyManua.ls Logo

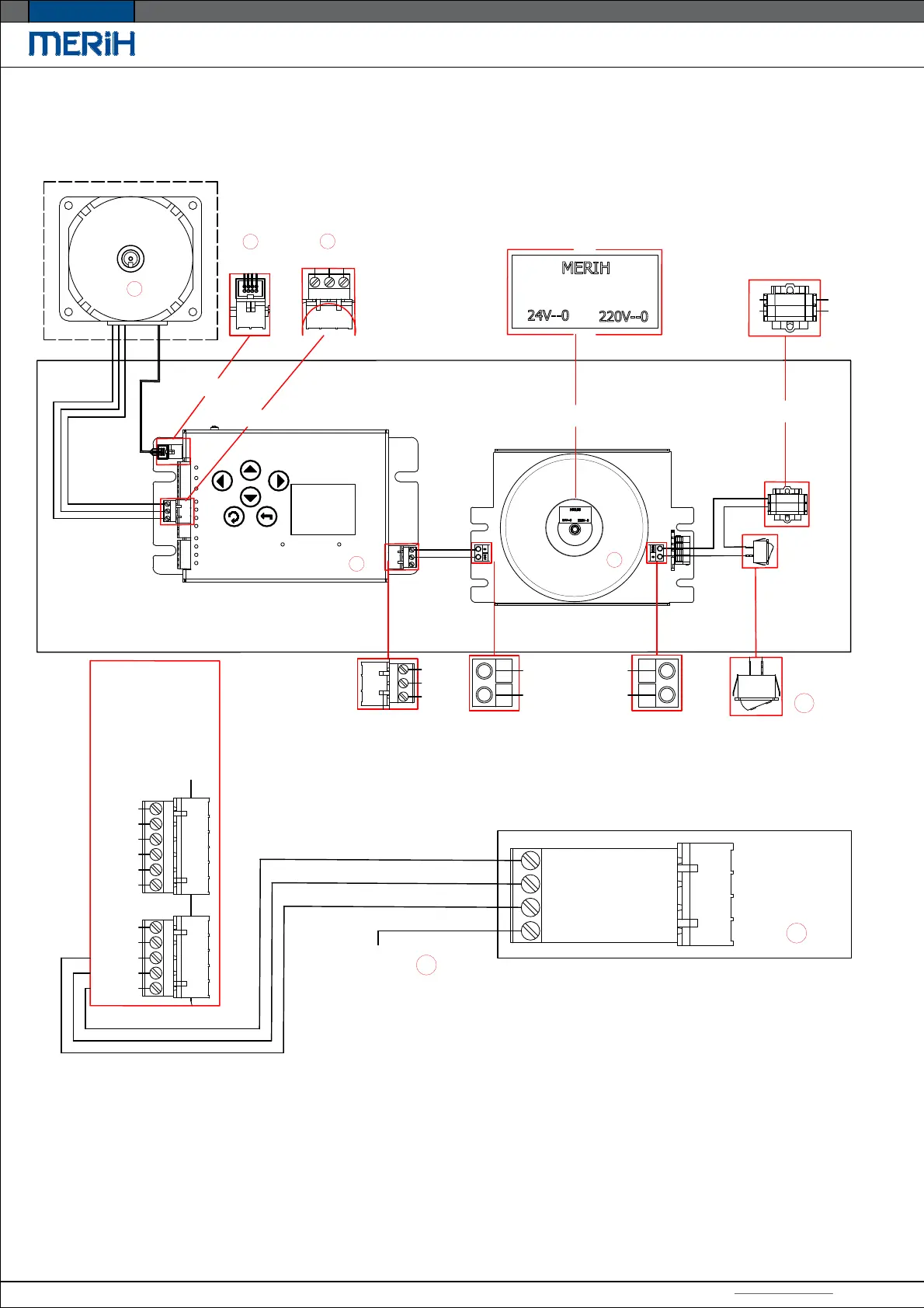
MERIH DDC70 - DDC80 WIRING DIAGRAM

MERIH DDC70
150 pages
Print Icon
To Next Page IconTo Next Page
To Next Page IconTo Next Page
To Previous Page IconTo Previous Page
To Previous Page IconTo Previous Page
Loading...
Her türlü değişiklik hakkı saklıdır.
KLV-09/Yayın Tarihi : 09.03.2023/Revizyon No: 00 /Revizyon Tarihi:
Sayfa :
Güncel dokümanlar için www.merihasansor.com adresini ziyaret ediniz!
Belirtilmeyen tüm ölçü birimleri milimetredir.(mm)
USER GUIDE DDC70/DDC80
Her türlü değişiklik hakkı saklıdır.
KLV-09/Yayın Tarihi : 09.03.2023/Revizyon No: 00 /Revizyon Tarihi:
29
4
WI-FI POWER
TRAFO
0
220V
0
24V
0
24V
COM
220 V AC
L
N
KEY
DSE
1
U V
W
2
3
5
6
(K5) OPENING**
(K3) CLOSING
(-) 1000
(K15) COMMON
+ 24 V DC *
or
+ 220 V AC *
I4
I3
I2
I1
ICOM
24V
S4
S3
S2
S1
GND
7
8
300 VA - 50 / 60 HZ
300 VA - 50 / 60 HZ
DDC80 WIRING DIAGRAM
ENGINE
ENGINE
* 24 DC or 220 AC can be used for On and Off signals.
** Any connection for open signal using only off signal
If it will not be done, the socket settings can be entered from the DDC80's menu.
The "I2 Open Door" parameter should be selected as "None - Not Connected".
MAIN
CONTROL
PANEL