EasyManua.ls Logo

Mesa Amp - SUGGESTED WIRING #2

Mesa Amp
48 pages
Print Icon
To Next Page IconTo Next Page
To Next Page IconTo Next Page
To Previous Page IconTo Previous Page
To Previous Page IconTo Previous Page
Loading...
BA
INPUTS
INPUT LEVEL
L
I
N
E
I
N
S
T
SPEAKERS
B
A
8 OHMS
4 OHMS
4 OHMS
MODERN
DEEP
EXTEND
HALF
DRIVE
4
3
SWITCH RECORD OUTPUT RETURN FX LOOP
SEND
B
A
OFF
IN
MIDI
THRU
OUT
ON/LIFT
ON GROUND
1
2
IN
MIDI
OUT
LROUTPUT
LRINPUT (MON0)
A
B
A
A
A
B
B
3
3
3
2
2
2
1
1
1
SHIELDED CABLE
OUT
SHIELDED CABLE
UN-SHIELDED
CABLE
SHIELDED
CABLE
AC POWER
OUT
SHIELDED CABLE
IN
INST
INPUT
B
A
B
3
2
1
UN-SHIELDED
CABLE
SHIELDED CABLE
7-PIN
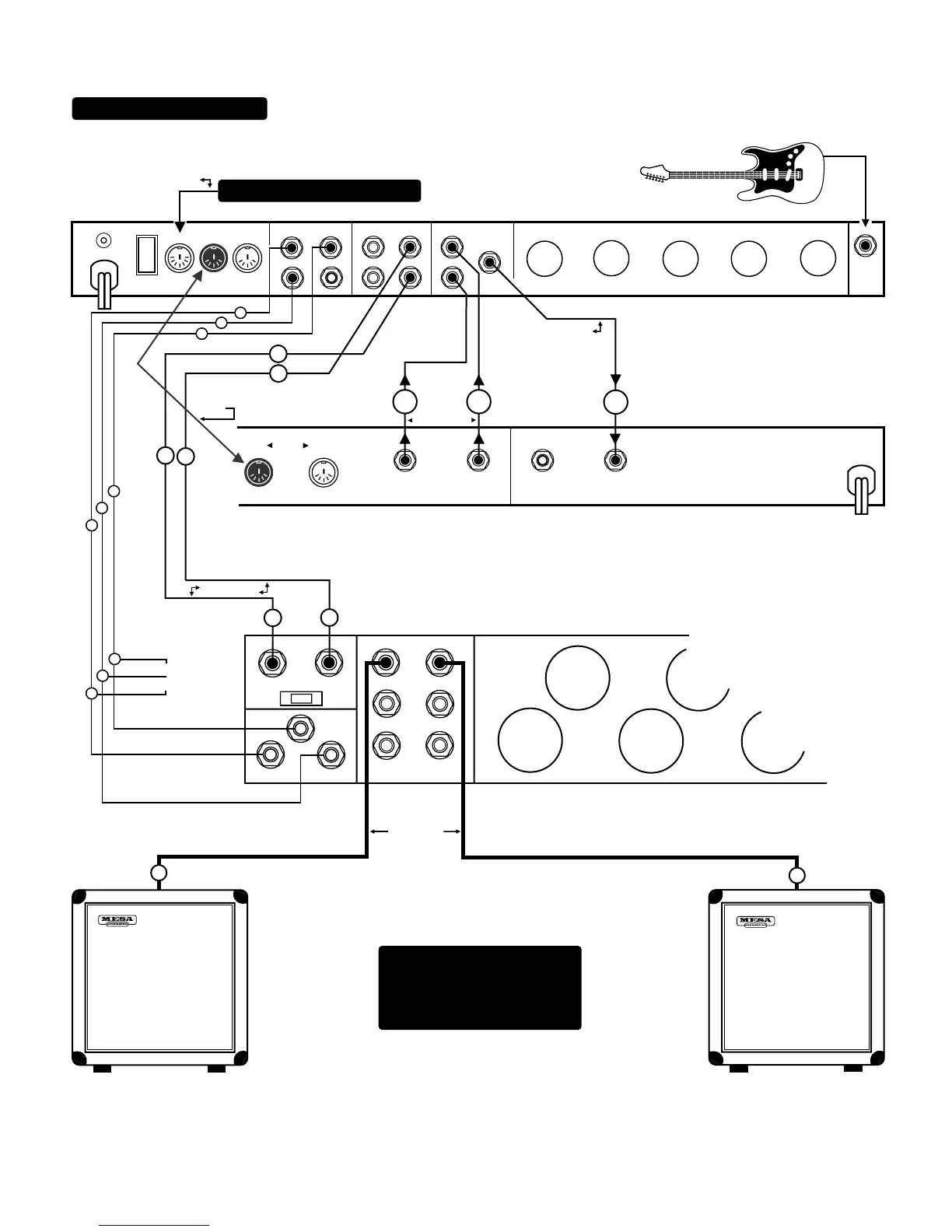
STEREO SIMUL - CLASS 2: NINETY
STEREO (MONO) MULTI EFFECTS UNIT
MIDI FOOT-CONTROLLER
NOTE: BASIC HOOK-UP WITH
FX UNIT CONNECTED, ALSO
A MIDI IN AND THRU
CONNECTION.
SUGGESTED WIRING #2
PAGE 29

Related product manuals