EasyManua.ls Logo

Mesa Amp - SUGGESTED WIRING #8

Mesa Amp
48 pages
Print Icon
To Next Page IconTo Next Page
To Next Page IconTo Next Page
To Previous Page IconTo Previous Page
To Previous Page IconTo Previous Page
Loading...
PAGE 35
BA
INPUTS
INPUT LEVEL
L
I
N
E
I
N
S
T
SPEAKERS
B
A
8 OHMS
4 OHMS
4 OHMS
MODERN
DEEP
EXTEND
HALF
DRIVE
4
3
SWITCH RECORD OUTPUT RETURN FX LOOP
SEND
B
A
OFF
IN
MIDI
THRU
OUT
ON/LIFT
ON GROUND
1
2
3
2
1
UN-SHIELDED
CABLE
INST
INPUT
3
2
1
A
B
SHIELDED
CABLE
SHIELDED
CABLE
IN
OUT
OUT
IN
IN
SHIELDED
CABLE
OUT
SHIELDED
CABLE
3
2
1
UN-SHIELDED
CABLE
8 0HMS
1 X 12 Extension Cab
8 0HMS
1 X 12 Extension Cab
SHIELDED
CABLE
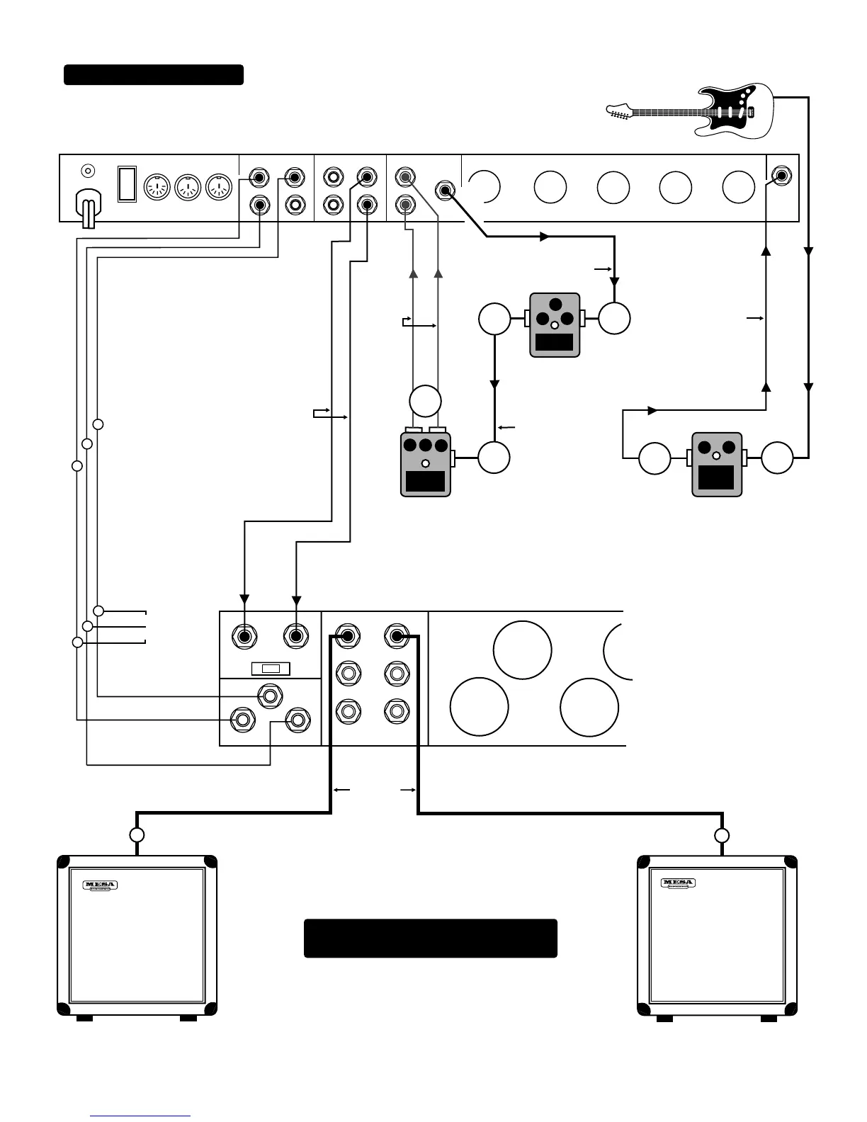
STEREO SIMUL - CLASS 2: NINETY
COMPRESSOR
STEREO
CHORUS
STEREO
DELAY
NOTE: HOW TO USE FX LOOP TO BYPASS
PEDAL FX..
SUGGESTED WIRING #8

Related product manuals