EasyManua.ls Logo

Meyer PV Series - Page 28

Meyer PV Series
92 pages
Print Icon
To Next Page IconTo Next Page
To Next Page IconTo Next Page
To Previous Page IconTo Previous Page
To Previous Page IconTo Previous Page
Loading...
INSTALLATION AND INSTRUCTIONAL MANUAL
xxxxx-xxx-xx month/day/year
PV SERIES
TM
MATERIAL:
SCALE
TITLE
DRAWING SIZE
D
DRAWING No:
LINDENWOOD ILLINOIS
WHERE USED
CADD FILENAME:
REF. DRAWING
DR BY
APPV BY
DATE
APPVBYDATEPIF#
REV
REVISION
NOTED)
(EXCEPT AS
DO NOT SCALE DRAWING
DATE
*********************
ProE Drawing
This drawing was
created in ProE.
The orginial drawing
should only be
edited in ProE.
*********************
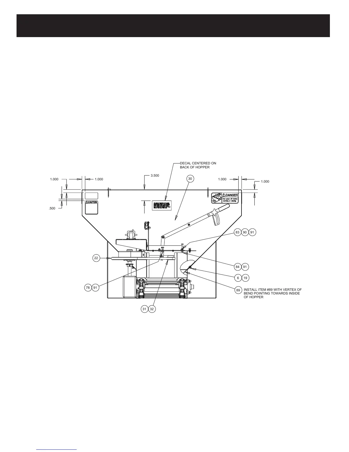
1.000
1.000
1.000
.500
1.000
1.000
3.500
1.000
00002-562-00
DETAIL, ASSEMBLY
PV356 B&S
SHEET 1 OF 2
SEE TABLE
PV356
S:\00002\
00002-562-00
D0000253300
0.100
JKG 5/19/2010
JKG 5/19/2010
TABD
PART WEIGHT
ITEM PART NUMBER DESCRIPTION QTY
1 00115-156-XX WELD, HOPPER 1
2 04049-045-00 DECAL, CAUTION 1
3 04111-053-00 CAP, IDLER 2
4 04616-126-00 WIRE, BROWN JUMPER 4" 1
5 04638-043-06 CONNECTOR, BUTT 2
6 04003-806-13 NUT, 5/16 SER FLANGE SS 18
7 00123-147-00 PV356 SHIPPING CARTON 1
8 00115-124-00 WELD, TAKEUP BOLT 2
9 04003-802-XX NUT, 1/2" HEX JAM 4
10 00118-337-00 SUB- Y, GEARBOX 1
11 04003-005-XX BOLT, 1/2" X 3/4" HH 4
12 04004-001-XX LOCKWASHER, 1/2" 4
13 00119-590-01 FORM, GUARD, CONVEYOR 1
14 04003-804-XX LOCKNUT, 3/8" VINYL 3
15 04004-002-XX FLATWASHER, 3/8" 4
16 04003-003-XX BOLT, 3/8" X 1 1/4" HH 7
17 04003-806-XX NUT, 3/8" SER FLANGE 8
18 04043-079-00 WELD, DRAG CHAIN 1
19 04003-032-06 BOLT, 5/16 X 3/4 CA 18
20 04067-033-00 BOOT, ALT CABLE 2
21 00122-946-XX FORM, CONVEYOR FLOOR 1
22 04071-020-00 V-BELT, BX-46 1
23 04616-120-00 CABLE, SPREADER CONTROL 1
24 04616-105-00 WIRE, REM. BATT. NEGATIVE 1
25 04003-002-XX BOLT, 5/16 X 3/4 HH 1
26 04622-008-00 COVER, CLUTCH 1
27 00104-822-XX RETAINER, CLUTCH 1
28 04003-001-XX BOLT, 1/4" X 3/4" HH 4
29 04003-806-XX NUT, 1/4" SER FLANGE 5
30 04145-076-00 ENGINE, 190CC B&S QUANTUM 1
31 04031-009-00 KEY, 3/16" X 1" SQ 1
32 04070-024-00 PULLEY, DRIVER 1
33 04616-103-00 WIRE, REM. BATT. POS. 1
34
35 04093-022-00 GROMMET 1
36 04146-005-00 SOLENOID 1
37 04607-027-00 CLAMP, CUSHIONED 1
38 00110-819-XX WELD, FEEDGATE 1
39 04624-001-01 KNOB, HAND 1
40 00119-587-XX WELD, SHROUD 1
41 00112-734-00 ROD, PROP 1
42 04010-016-01 PIN, 1/8" X 1" COTTER SS 1
43 04049-182-00 DECAL, DANGER 3
44 04049-199-00 DECAL, GASOLINE ONLY 1
45 04049-XXX-XX DECAL, SERIAL NUMBER 1
46 04093-021-00 TRIM, VINYL 2
47 04553-008-06 SKID, PV 6' 1
48 04003-033-14 BOLT, 3/8" X 4" CA SS 2
49 04605-155-00 CABLE, LIGHT POWER 1
50 04605-154-00 GROMMET, MTG. 1
51 04540-003-00 OIL, MOTOR .156
52 00118-312-XX FORM, FEEDGATE HANDLE 1
53 04605-153-00 LAMP, STOP 1
54 04003-033-12 BOLT, 3/8" X 3/4" CA SS 1
55 00101-636-XX BAR, PIVOT 1
56 04045-022-00 PIN, CONNECTOR W/ COTTER 2
ITEM PART NUMBER DESCRIPTION QTY
57 04076-100-00 WIPER, CHAIN 1
58 04070-020-00 PULLEY, DRIVEN 1
59 04138-017-00 CLUTCH, ELECTRIC 1
60 00108-771-00 FLATWASHER, CLUTCH RETAINER 1
61 04004-001-XX LOCKWASHER, 5/16" 3
62 04003-081-04 SCREW, 5/16" X 5/8" SH CAP 3
63 04607-028-00 CLAMP, PROP ROD 1
64 04049-357-00 DECAL, ENGINE WARRANTY 1
65 04049-362-00 DECAL, FUEL SHUT OFF 1
66 04150-044-01 ACTUATOR, 12V 1
67 00117-410-00 LINKAGE, HONDA THROTTLE 1
68 04003-069-01 SCREW, 8-32 X 3/4" PR SS 3
69 04004-002-59 FLATWASHER, #8 SS 3
70 04003-804-28 LOCKNUT, 8-32 VINYL SS 3
71 04607-013-00 TIE, NYLON 5
72 00002-296-XX P, SPINNER PV INT. 1
73 04049-XXX-XX DECAL, BRAND 3
74 SEE B/M P, INSTR. MANUAL 1
75 04003-033-XX BOLT, 3/8" X 1 1/4" CA 1
76 04009-001-01 KEY, WOODRUFF 1
77 04111-052-00 COVER, FEEDGATE HANDLE 1
78 04003-002-XX BOLT, 5/16" X 1 1/2" HH 2
79 04607-036-00 HOLDER, NYLON TIE 2
80 04003-001-XX BOLT, 1/4" X 1" HH 1
81 00122-366-00 SHAFT, IDLER 1
82 00122-369-00 ROLLER, POLY 2
83 00122-948-XX ADAPTER, ENGINE 1
84 04003-002-XX BOLT, 5/16" X 2 1/2" HH 1
85 04616-081-00 WIRE, 12 GA. RED .75
86 04616-077-00 WIRE, 12 GA BLACK .75
87 04638-039-18 TERMINAL, 5/16" RING 1
88 04638-039-19 TERMINAL, 1/4" RING 1
89 00122-949-XX FORM, CHAINSHIELD 2
90 04003-032-XX BOLT, 5/16" X 3/4" CA 4
91 04003-806-XX NUT, 5/16" SER FLANGE 7
SEE CHAIN TENSION DETAIL
ON SHEET 2
DETAIL, IDLER ASSEMBLY
SCALE 0.250
DETAIL, FEEDGATE,
HANDLE ASSEMBLY
& DECALS
ITEMS NOT SHOWN:
EA. SIDE
WIPER MUST BE ADJUSTED TO
ADEQUATELY CLEAN CHAIN BARS
7
51
72
74
00123-147-00
04540-003-00
00002-296-XX
INSTR. MANUAL
SEE B/M
8 9
6 19
6 19
82
81
3
13
NOTE:
1. ITEM #7 MUST BE PLACED INTO
PLASTIC BAG AND PACKED INTO
HOPPER FOR SHIPPING.
2. ITEM #72 MUST BE PACKED INTO
HOPPER FOR SHIPPING.
INSTALL ITEM #89 WITH VERTEX OF
BEND POINTING TOWARDS INSIDE
OF HOPPER
73
DECAL TO BE CENTERED ON
BOTH SIDES OF ITEM #1
43
56
18
15 16 17 57
16 17
35
DECAL CENTERED ON
BACK OF HOPPER
30
22
83 90 91
84 91
78 91
31 32
89
6 19
2
1
45
64
55
38
15 42
14 75
15 39 54
14 16 17
43
52 77
11 12
16 17
ZERK IN BEARING
TO AIM FORWARD
& UPWARD
17 47 48
46
73
41 63
49 50 53
14 16
40
BASE LINE PV SERIES
00108-760-01-REV-B
Page 28
OCTOBER, 2013

Related product manuals