EasyManua.ls Logo

Meyer PV Series - Page 46

Meyer PV Series
92 pages
Print Icon
To Next Page IconTo Next Page
To Next Page IconTo Next Page
To Previous Page IconTo Previous Page
To Previous Page IconTo Previous Page
Loading...
INSTALLATION AND INSTRUCTIONAL MANUAL
xxxxx-xxx-xx month/day/year
PV SERIES
TM
MATERIAL:
SCALE
TITLE
DRAWING SIZE
D
DRAWING No:
LINDENWOOD ILLINOIS
WHERE USED
CADD FILENAME:
REF. DRAWING
DR BY
APPV BY
DATE
APPVBYDATEPIF#
REV
REVISION
NOTED)
(EXCEPT AS
DO NOT SCALE DRAWING
DATE
*********************
ProE Drawing
This drawing was
created in ProE.
The orginial drawing
should only be
edited in ProE.
*********************
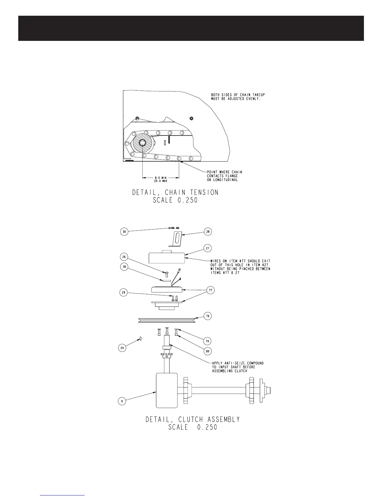
8.0 MIN
20.0 MAX
00002-533-00
DETAIL, ASSEMBLY
PV 50" B&S
SHEET 2 OF 2
SEE DETAILS ON SHEET 1
50" PV
S:\00002\
00002-533-00
0.125
JKG 5/4/2010
JKG 5/4/2010
TABD
D1
10-0084
SEE SHEET 1
5/10
JG JG
D2
10-0084
SEE SHEET 1
5/10
JG JG
PART WEIGHT
24
30
28
27
77
26
78
29
76
79
80
9
WIRES ON ITEM #77 SHOULD EXIT
OUT OF THIS HOLE IN ITEM #27
WITHOUT BEING PINCHED BETWEEN
ITEMS #77 & 27
DETAIL, CLUTCH ASSEMBLY
SCALE 0.250
APPLY ANTI-SEIZE COMPOUND
TO INPUT SHAFT BEFORE
ASSEMBLING CLUTCH
HOSE ASSEMBLY
SCALE 0.250
DETAIL,DRAIN
ENGINE
DRAIN PLUG
SUPPLIED
WITH ENGINE
NOTES:
1. NEATLY SECURE ALL WIRING AWAY
FROM ALL MOVING PARTS AND HOT
SURFACES.
2. APPLY DIELECTRIC GREASE
TO ALL ELECTRICAL CONNECTIONS.
3. DO NOT SECURE ANY WIRES TO
FUEL LINE.
MTG. BOLT.
ATTACH TO SOLENOID
DETAIL,
CLUTCH WIRING
SCALE 0.500
38
44
95
37
BLUE WIRE FROM ITEM #23
CLUTCH GROUND WIRE,
ATTACH TO SAME SOLENOID
MTG. BOLT AS ITEM #95
CLAMP ASSEMBLY
SCALE 1.125
DETAIL, PROP ROD
FINGERS OF ITEM #82,
MUST BE COMPLETLEY
THROUGH ITEM #48
INSTALL AS SHOWN
TO ALLOW ITEM #49
TO SNAP INTO WHEN
NOT IN USE
48
82
INSIDE OF SHROUD
67
66
DETAIL, CHAIN TENSION
SCALE 0.250
BOTH SIDES OF CHAIN TAKEUP
MUST BE ADJUSTED EVENLY.
TOP OF SHROUD
CABLE CLAMP
SCALE 0.500
HOPPER
HOLE IN ENGINE MTG.
PLATE PROVIDED FOR
ITEM #42 CLAMP
SECURE CABLE WITH
PLUG THIS SIDE OF
CLAMP
DETAIL,
ENGINE MTG. PLATE
(TOP VIEW)
29
30
42
23
CONNECT TO THROTTLE ACTUATOR
4. USE NYLON TIES (ITEM #93)
TO "BUNDLE" WIRES FOR
SELF SUPPORT.
5. WHEN OPERATING ENGINE,
BATTERY MUST BE CONNECTED
TO BATTERY CABLES.
6. THE SHORT JUMPER WIRES ON
ITEM #23 (YELLOW & BROWN)
SHOULD NOT BE REMOVED. THESE
ARE THE REQUIRED CONNECTIONS FOR
B&S.
THROTTLE ACTUATOR ADJUSTMENT
1. LOOSEN THREE MOUNTING SCREWS AND NUTS ON THROTTLE ACTUATOR.
2. USING SPREADER CONTROL, MOVE THROTTLE ACTUATOR TO FULL CHOKE POSITION (RABBIT).
3. SLIDE ACTUATOR IN CORRECT DIRECTION (RIGHT) UNITIL ENGINE LINKAGE HAS MOVED TO
FULL CHOKE. DO NOT PUT EXCESSIVE FORCE ON LINKAGE ROD.
4. TIGHTEN THREE MOUNTING SCREWS AND NUTS.
5. TEST RUN ENGINE FOR FULL CHOKE ENGAGEMENT.
CLUTCH
WHITE
BROWN
GREEN / BLACK
BLUE
YELLOW
RED
(REF) FUSE HOLDER W / 15A FUSE
TO CENTER STUD ON SOLENOID
98
69
40
23
POSITIVE BATTERY CABLE
STARTER CABLE
GROUND
38
REMOVE PROTECTIVE CAP
AND CONNECT TO REMOTE
CONTROL RECIEVER
CONNECT TO SAME ENGINE MTG.
BOLT AS NEG. BATTERY CABLE
CONNECT TO THROTTLE ACTUATOR
ITEMS #77, #98, & #95
TO BE GROUNDED
TO SAME SOLENOID
MTG BOLT
(REF) SINGLE POLE WEATHER
PACK CONNECTOR ITEMS #23
& #77
DETAIL, WIRING & THROTTLE ASSEMBLY
SCALE 0.500
REMOVE BOTTOM MTG. SCREW
AND TAB FROM PLATE,
AND DISCARD.
PLATE ON ENGINE SHOWN
BEFORE ACTUATOR MTG.
GROUP ATTACHED
87
85
85
89 90 91
86
88
PLUG FROM ITEM #23
DETAIL, WIRING ASSEMBLY
SCALE 0.500
CAUTION
IF BATTERY IS REMOVED, DO
NOT OPERATE ENGINE WITHOUT
INSULATING POS+ BATTERY
CABLE TERMINAL WITH ELEC-
TRICAL TAPE, OR SPARKING
FROM BATTERY CABLES CAN
RESULT.
ITEM #98 FROM ENGINE
RED WIRE FROM ITEM #23
YELLOW WIRE FROM ITEM #23
ENGINE STARTER MOTOR TERMINAL
39
95
37
34
31
18
40
71
71
70
69
29 30 38
27
28
OIL DRAIN HOSE
ENGINE MTG. PLATE ON ITEM #1
BATTERY
SECURE THIS LABEL TO ITEM #69
WITH ITEM #93. THIS LABEL IS
SUPPLIED WITH ITEM #31 (ENGINE)
WHITE WIRE FROM ITEM #23
CONNECT TO ENGINE KILL WIRE
30
CONNECT TO SAME ENGINE MTG.
BOLT AS NEG. BATTERY CABLE
CONNECT TO RED WIRE
ON VOLTAGE REGULATOR
CAPACITOR (REF)
POINT WHERE CHAIN
CONTACTS FLANGE
ON LONGITUDINAL
STANDARD PV MODEL
00108-760-01-REV-B
Page 46
OCTOBER, 2013

Related product manuals