EasyManua.ls Logo

Meyer PV Series - Electric PV Model Controller and Harnesses

Meyer PV Series
92 pages
Print Icon
To Next Page IconTo Next Page
To Next Page IconTo Next Page
To Previous Page IconTo Previous Page
To Previous Page IconTo Previous Page
Loading...
INSTALLATION AND INSTRUCTIONAL MANUAL
xxxxx-xxx-xx month/day/year
PV SERIES
ELECTRIC PV MODEL
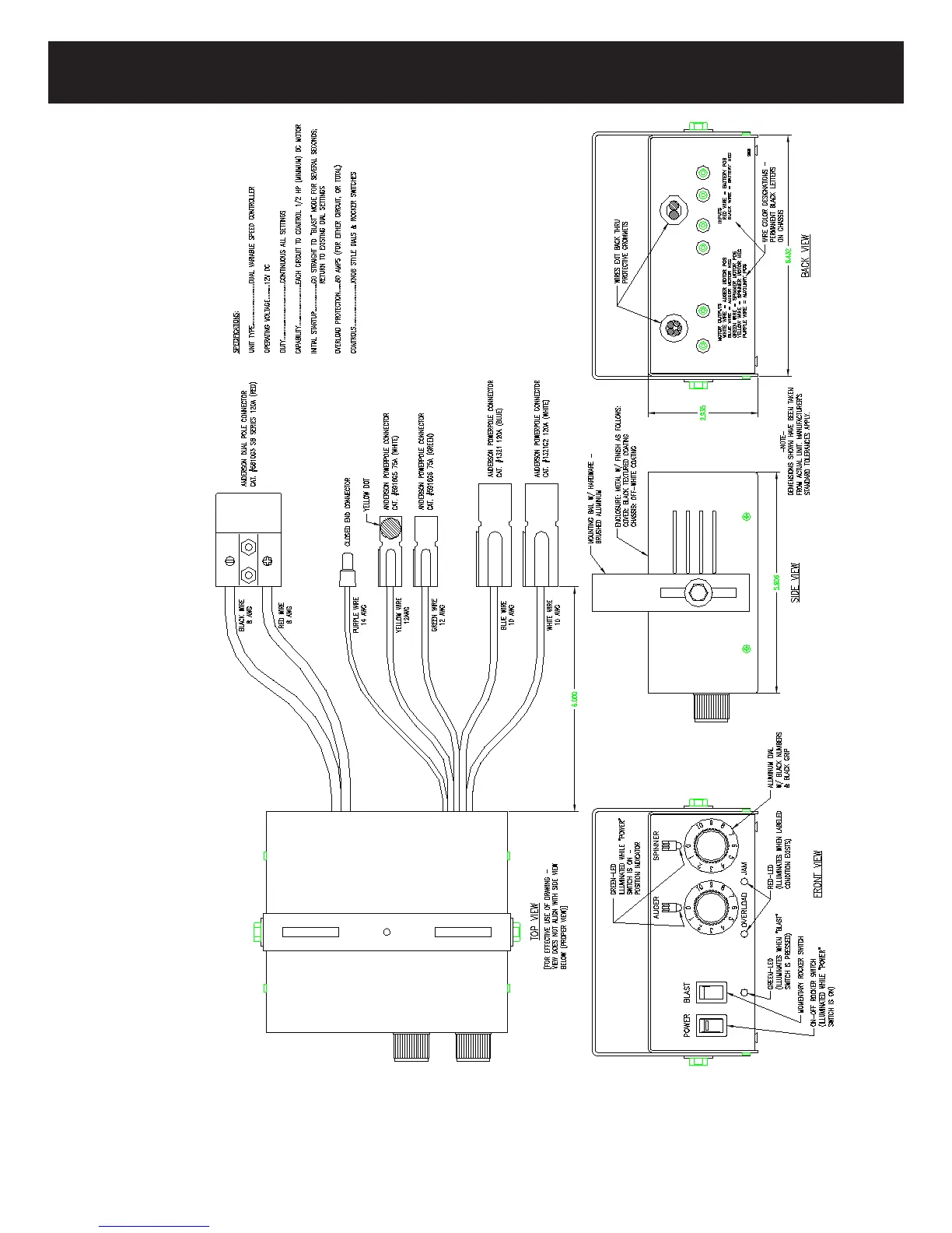
Control, Motor Dual Elec
63962
00108-760-01-REV-B
Page 78
OCTOBER, 2013

Related product manuals