EasyManua.ls Logo

MF FA Series - Features

MF FA Series
15 pages
Print Icon
To Next Page IconTo Next Page
To Next Page IconTo Next Page
To Previous Page IconTo Previous Page
To Previous Page IconTo Previous Page
Loading...
4
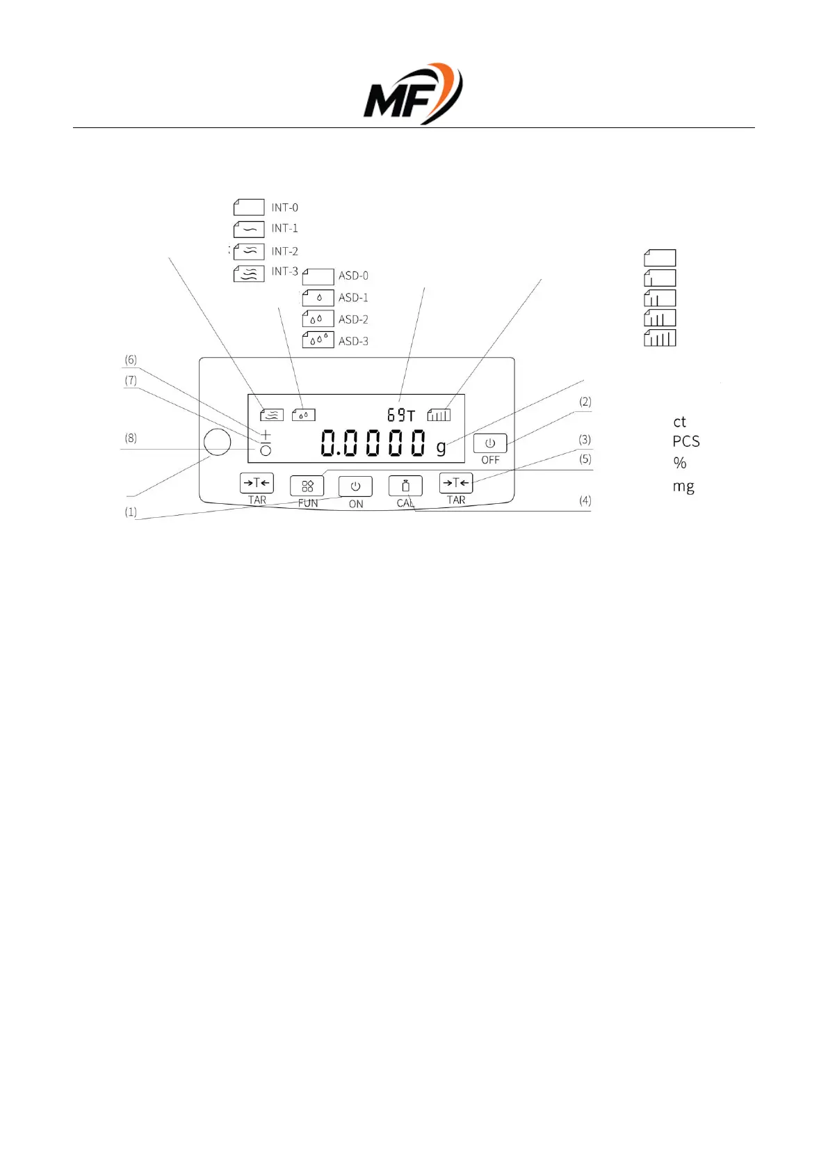
Display and keys as icon:
(1) (ON)Turn on key/Function key
(2) (OFF)Turn off key
(3) (TAR)Tare key(Zero Out)
(4) (CAL)Calibration key
(5) (FUNC) Confirmation key/Function Selection
(6) Positive symbol
(7) Negative symbol
(8) Stability symbol
.Festures
The FA series electronic balance scale has the following characteristics:
Weighing fast.The weighing speed is faster than the average mechanical balance, and it
has adjustable speed.
Its easy to learn the operation,and has mass unit conversion. The software system of
the FA series electronic balance scale provides users with the ability to select ant
unit,users can choose from a wide range of internationally used mass units provided by
the software.
Highly intelligent.It can display tare,zero,overload and underload in full range.
It has a variety of functions such as counting.
ASD
INT
UNT:g(gram)
(carat)
(piece)
(percentage)
(milligram)
Continuous output
Press output
Timing output
Continuousoutput
Accumulated
power-on time
Data transmission status
Continuous output