EasyManua.ls Logo

MG ST - Connection Examples; Analog Backup Station Connection; Computer Backup Station Connection

MG ST
3 pages
Print Icon
To Previous Page IconTo Previous Page
To Previous Page IconTo Previous Page
Loading...
ST / STL
EM-1682 Rev.4 P. 3 / 3
MG CO., LTD. www.mgco.jp
5-2-55 Minamitsumori, Nishinari-ku, Osaka 557-0063 JAPAN
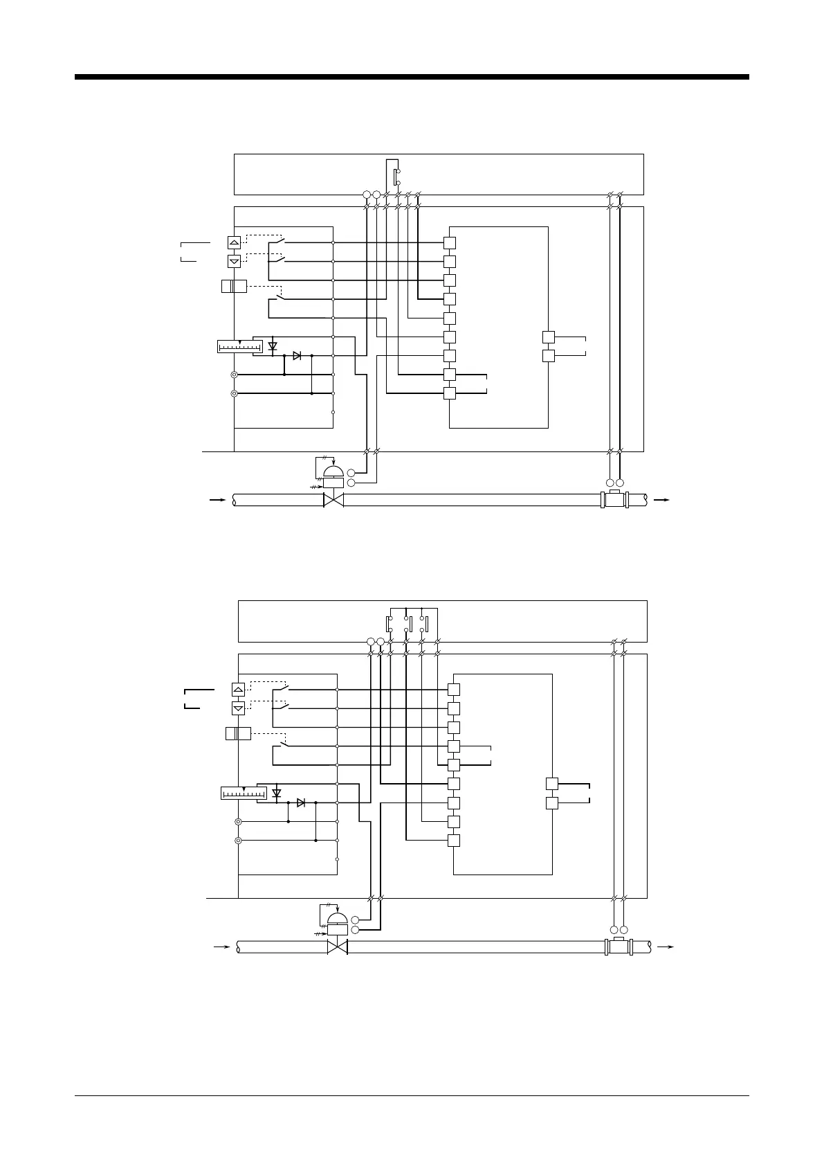
CONNECTION EXAMPLES
TO ANALOG BACKUP STATION
+
UP
DOWN
MANUAL CONTROL
1
2
3
4
5
6 (+)
7 (–)
8
9
10
AUTO-MANUAL
SELECTOR
SWITCH
OUTPUT
INDICATOR
MONITOR
TERMINALS
(4 – 20mA DC)
10-pin
CONNECTOR
MANUAL OUTPUT()
MANUAL OUTPUT()
COM.
(+) INPUT
(–) INPUT
(–) OUTPUT
(+) OUTPUT
COMPUTER FAILURE
9
10
11
5
6
2
1
3
4
POWER
7
8
+–
+–
E/P
4 – 20mA DC
FEEDBACK
SIGNAL
OUTPUT
STOP
ST/STL ANALOG BACKUP STATION
FIELD
CONTROL VALVE FLOWMETER
COMPUTER
PANEL
FRONT BACK
TO COMPUTER BACKUP STATION
+
UP
DOWN
MANUAL CONTROL
1
2
3
4
5
6 (+)
7 (–)
8
9
10
AUTO-MANUAL
SELECTOR
SWITCH
OUTPUT
INDICATOR
MONITOR
TERMINALS
(4 – 20mA DC)
10-pin
CONNECTOR
MANUAL OUTPUT ( )
MANUAL OUTPUT ( )
COM.
(–) OUTPUT
(+) OUTPUT
COMPUTER FAILURE
9
10
11
5
6
2
1
3
4
POWER
7
8
+–
+–
E/P
4 – 20mA DC
FEEDBACK
SIGNAL
ST/STL COMPUTER BACKUP STATION
FIELD
CONTROL VALVE FLOWMETER
COMPUTER
PANEL
FRONT BACK
STOP
UP
DOWN
AUTO OUTPUT ( )
AUTO OUTPUT ( )
AUTO