EasyManua.ls Logo

Midas XL4 - Page 14

Midas XL4
81 pages
Print Icon
To Next Page IconTo Next Page
To Next Page IconTo Next Page
To Previous Page IconTo Previous Page
To Previous Page IconTo Previous Page
Loading...
SOLO
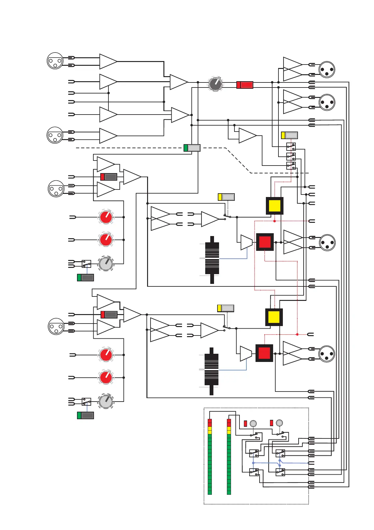
XL441 MATRIX MODULE
BLOCK DIAGRAM
STEREO AUX
LEFT
OUTPUT
METER PRE LEFT
SOLO LEFT
METER POST LEFT
METER POST RIGHT
METER PRE RIGHT
+
-
METER PRE
IN METER
BRIDGE
STEREO AUX
LEFT
INJECT
STEREO AUX
RIGHT
INJECT
STEREO AUX
BUS LEFT
STEREO AUX
BUS RIGHT
NOISE REF BUS
TALK TO AUX
STEREO AUX RIGHT
OUTPUT
+
-
0
+10
stereo
aux
master
o
o
MUTE
MATRIX
LEFT
INJECT
METER PRE
RIGHT
METER POST
RIGHT
SOLO RIGHT
PFL
SOLO
LOGIC
INS
INSERT POINT
RETURNSEND
+
-
+
_
VCA
TALK
mute
0
masters left
+6
o
o
0
masters right
+6
o
o
global pre
ON
5
5
0
TALK TO MATRIX
PRE
POST
MASTER
LEFT
MASTER
RIGHT
GROUP 1
(1 OF 16
SHOWN)
MATRIX
LEFT
OUTPUT
+
-
0
+6
mix 1
o
o
solo
MATRIX
INJECT
RIGHT
METER PRE LEFT
METER POST LEFT
AUTOMATION
INS
INSERT POINT
RETURNSEND
+
-
+
_
VCA
TALK
mute
0
masters left
+6
o
o
0
masters right
+6
o
o
global pre
ON
5
5
0
TALK TO MATRIX
PRE
POST
MASTER
LEFT
MASTER
RIGHT
GROUP 1
(1 OF 16
SHOWN)
MATRIX
RIGHT
OUTPUT
+
-
0
+6
mix 1
o
o
solo
MTX
STEREO AUX
TO MATRIX
+21+
+18+
+15+
+12+
+9+
+6+
+3+
0
-3-
-6-
-9-
-12-
-15-
-18-
-21-
-24-
-27-
-30-
-33-
-36-
change over
matrix
STEREO AUXILIARY SECTION
XL4 MATRIX MODULE BLOCK DIAGRAM