EasyManua.ls Logo

Midas XL4 - Page 15

Midas XL4
81 pages
Print Icon
To Next Page IconTo Next Page
To Next Page IconTo Next Page
To Previous Page IconTo Previous Page
To Previous Page IconTo Previous Page
Loading...
METER
PRE
SOLO
ON
SOLO
LEFT
SOLO
RIGHT
MASTER
LEFT
INJECT
MASTER
RIGHT
INJECT
TALK TO MASTER L
TALK TO MASTER M
MASTER AUX
BUS LEFT
MASTER AUX
BUS RIGHT
METER PRE
RECORD METERS READS HIGHEST
LEVEL OF LEFT OR RIGHT
MUTE ALL
SOLO I/P
PFL
AFL LEFT
AFL RIGHT
HEADPHONES LEFT
HEADPHONES RIGHT
MASTER
LEFT
OUTPUT
MASTER
MONO
OUTPUT
MASTER
RIGHT
OUTPUT
RECORD 1
LEFT
OUTPUT
RECORD 1
RIGHT
OUTPUT
RECORD 2
LEFTT
OUTPUT
RECORD 2
RIGHT
OUTPUT
MATRIX LEFT
MATRIX RIGHT
AUTOMATION
masters
mono
MASTER
BUS LEFT
0 VOLTS
NOISE REF BUS
(FOR FIELD
REJECTION)
MASTER
BUS RIGHT
+18
+15
+12
+9
+6
+3
0
-3
-6
-9
INS
+21
+18
+15
+12
+9
+6
+3
0
-3
-6
-9
-12
-15
-18
-21
-24
-27
-30
-33
-36
INS
INS
5
5
0
l
c
r
balance
INSERT POINT
RETURN
SEND
+
-
+
_
+
-
+
-
+
-
+
-
+
-
+
-
+
-
INSERT POINT
RETURN
SEND
+
-
+
_
INSERT POINT
RETURN
SEND
+
-
+
_
VCA
VCA
VCA
VCA
SOLO
mute all
solo in place
+18
+15
+12
+9
+6
+3
0
-3
-6
-9
0
+10
record 1
0
+10
record 2
ON
matrix
send pre
aux i/p mutes
5
5
0
+21
+18
+15
+12
+9
+6
+3
0
-3
-6
-9
-12
-15
-18
-21
-24
-27
-30
-33
-36
IN METER
BRIDGE
+21
+18
+15
+12
+9
+6
+3
0
-3
-6
-9
-12
-15
-18
-21
-24
-27
-30
-33
-36
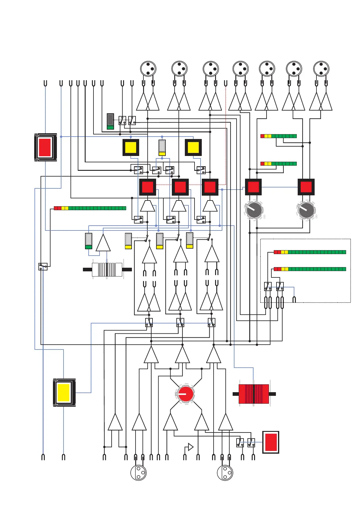
XL4 MASTERS MODULE BLOCK DIAGRAM