EasyManua.ls Logo

Midas XL4 - Page 16

Midas XL4
81 pages
Print Icon
To Next Page IconTo Next Page
To Next Page IconTo Next Page
To Previous Page IconTo Previous Page
To Previous Page IconTo Previous Page
Loading...
+
-
+
-
+
-
-
PHASE
REVERSE
L/R REVERSE R TO BOTH
LOFF
ROFF
LTOBOTHMONO
DIM
INTERNAL
LEVEL
EXTERNAL
LEVEL
EXTERNAL
OSC / TALK MIC C/O
+10
0
level
+10
0
level
C/O
AUTO
MUTE 5
AUTO
MUTE 4
AUTO
MUTE 3
AUTO
MUTE 2
AUTO
MUTE 1
AUTO
MUTE 8
AUTO
MUTE 7
AUTO
MUTE 6
+V
SOLO
SOLO
RESET
ADD
MODE
SOLO SENSE
SOLO RESET
TALK
TALK TO AUXES
TALK
TALK TO MONO
TALK
TALK TO MASTERS
TALK
TALK TO MATRIX
TALK
TALK TO GROUPS
+
-
TALK
TALK TO EXTERNAL
+10
0
level
+10
0
level
EXTERNAL
DIM
C/O
C/O
+V
GLOBAL
METERING
PRE
2 TRACK
RETURN
SOLO TO
MONITORS
ENABLE
PFL TO
MONITORS
ENABLE
PFL
BUS
COMMS LINK TO TALK
INTERCOM
2 TRACK
INPUT
LEFT
2 TRACK
INPUT
RIGHT
MASTER
BUS
LEFT
MASTER
BUS
RIGHT
SOLO
BUS
RIGHT
SOLO
I/P
RIGHT
SOLO
BUS
LEFT
SOLO
I/P
LEFT
INTERNAL
TALK ON
EXTERNAL
TALK ON
PFL SPEAKER
O/P
+
-
SOLO O/P
LEFT
+
-
METER
O/P RIGHT
+
-
OSC O/P
+
-
METER
O/P LEFT
+
-
PFL BUS
O/P
+
-
SOLO O/P
RIGHT
SOLO O/P 'A'
SOLO O/P 'B'
PFL O/P
LEVEL
SOLO O/P
LEVEL
A/B
SPEAKERS
PFL INPUT
LEVEL
+10
0
level
+10
0
level
C/O
HEADPHONES
HEADPHONE
LEVEL
HEADPHONE
SOURCE
+10
0
level
OSC
1k
freq
20
60 160
400
OSCILLATOR
PINK
PINK NOISE
OSC
LEVEL
+10
0
level
+10
0
level
+10
0
level
EXTERNAL
INPUT 1
EXTERNAL
INPUT 2
EXTERNAL 1
LEVEL
EXTERNAL 2
LEVEL
TALK
EXTERNAL
TALK
MIC
ON
ON ON
COMMS
CANCELATION
CALL
COMMS
ON
COMMS
LEVEL
COMMS
HEAD
SET
ON
LINK
+10
0
level
PFL I/P
+21
+18
+15
+12
+9
+6
+3
0
-3
-6
-9
-12
-15
-18
-21
-24
-27
-30
-33
-36
+21
+18
+15
+12
+9
+6
+3
0
-3
-6
-9
-12
-15
-18
-21
-24
-27
-30
-33
-36
C/O
talk
int
ext
talk
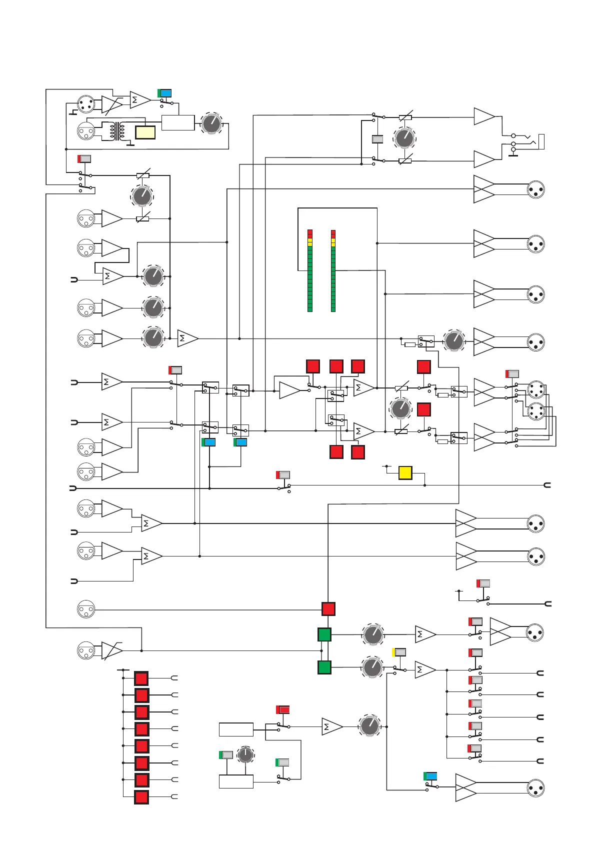
XL4 COMMS MODULE BLOCK DIAGRAM