EasyManua.ls Logo

Midea DLCMB - Page 9

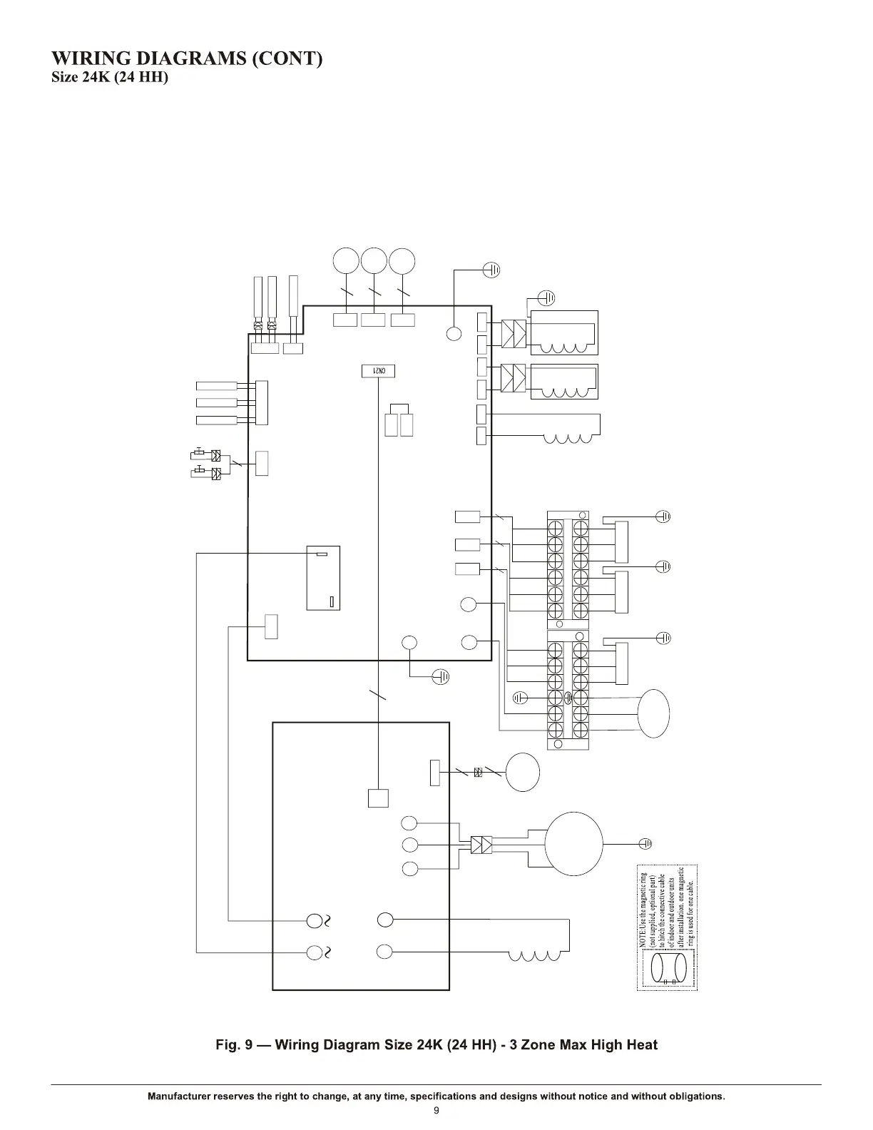
Midea DLCMB
110 pages
Print Icon
To Next Page IconTo Next Page
To Next Page IconTo Next Page
To Previous Page IconTo Previous Page
To Previous Page IconTo Previous Page
Loading...
L1 L2 1(A)2(A)3(A)
RED
BLACK
Y/G
BROWN
BLUE
BLACK
BROWN
BLUE
BLACK
TO A
POWER
TO B
Y/G
SUPPLY
COMPRESSOR
W(C)
V(S)
U(R)
3
3
REACTOR
CN14
BLACKREDBLUE
BLUEBLUE
U V W
CN3CN2
CN1
CN5CN4
BLACK(BLUE)
RED(BROWN)
5
Y/G
CN3
P-1
CN4
CN25
S-A S-B
CN23
CN1 CN2
4-WAY HEAT1
CN6
CN5
HEAT2
CN9 CN8
Y/G
P-2
RED
P1
P2
VALVE-A
CN18
CN19
VALVE-B
6
6
ELECTRONIC
EXPANSION
ELECTRONIC
VALVE
EXPANSION
CN7
VALVE
CN17
T4
T3
T2B
CN15
A B
CN14
LOW/HIGH
INDOOR COIL OUTLET
TEMP. SENSOR
CN29
ON(4)
COM(3)
L-OUT
RY2
HIGH
PRESSURE
SWITCH
LOW
PRESSURE
SWITCH
4
RED
YELLOW
1(B)2(B)3(B)1(C)2(C)3(C)
TO C
3 3
BROWN
BLUE
BLACK
S-C
CN20
3
CN22
VALVE-C
6
ELECTRONIC
EXPANSION
VALVE
C
DC FAN
MOTOR
CHASSIS
HEATER
CRANKCASE
HEATER
REVERSE
COMP. DISCHARGE TEMP. SENSOR
OUTDOOR AMBIENT TEMP. SENSOR
COIL TEMP. SENSOR
VALVE
MAIN CONTROL BOARD
IPM DRIVE BOARD
DLCM(R/H)B: Service Manual

Related product manuals