EasyManua.ls Logo

Midea HRV-1000 - Maintenance Space; Wiring Diagrams

Midea HRV-1000
32 pages
Print Icon
To Next Page IconTo Next Page
To Next Page IconTo Next Page
To Previous Page IconTo Previous Page
To Previous Page IconTo Previous Page
Loading...
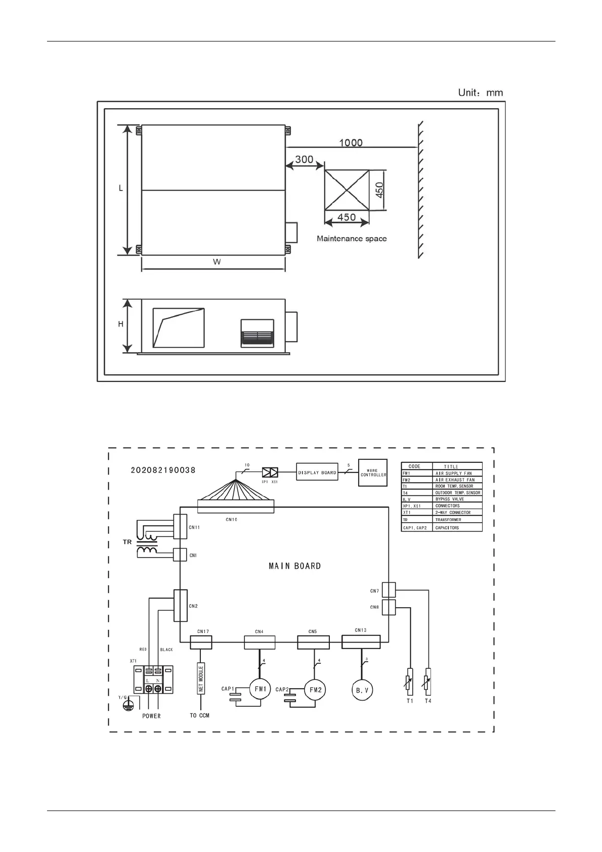
MCAC-KTSM-2009-03 Maintenance Space
Heat Recovery Ventilation 9
6. Maintenance Space
7. Wiring Diagrams
7.1 HRV-200 HRV-300 HRV-400 HRV-500 HRV-800 HRV-1000

Other manuals for Midea HRV-1000

Related product manuals