EasyManua.ls Logo

Midea HRV-1500

Midea HRV-1500
32 pages
To Next Page IconTo Next Page
To Next Page IconTo Next Page
To Previous Page IconTo Previous Page
To Previous Page IconTo Previous Page
Loading...
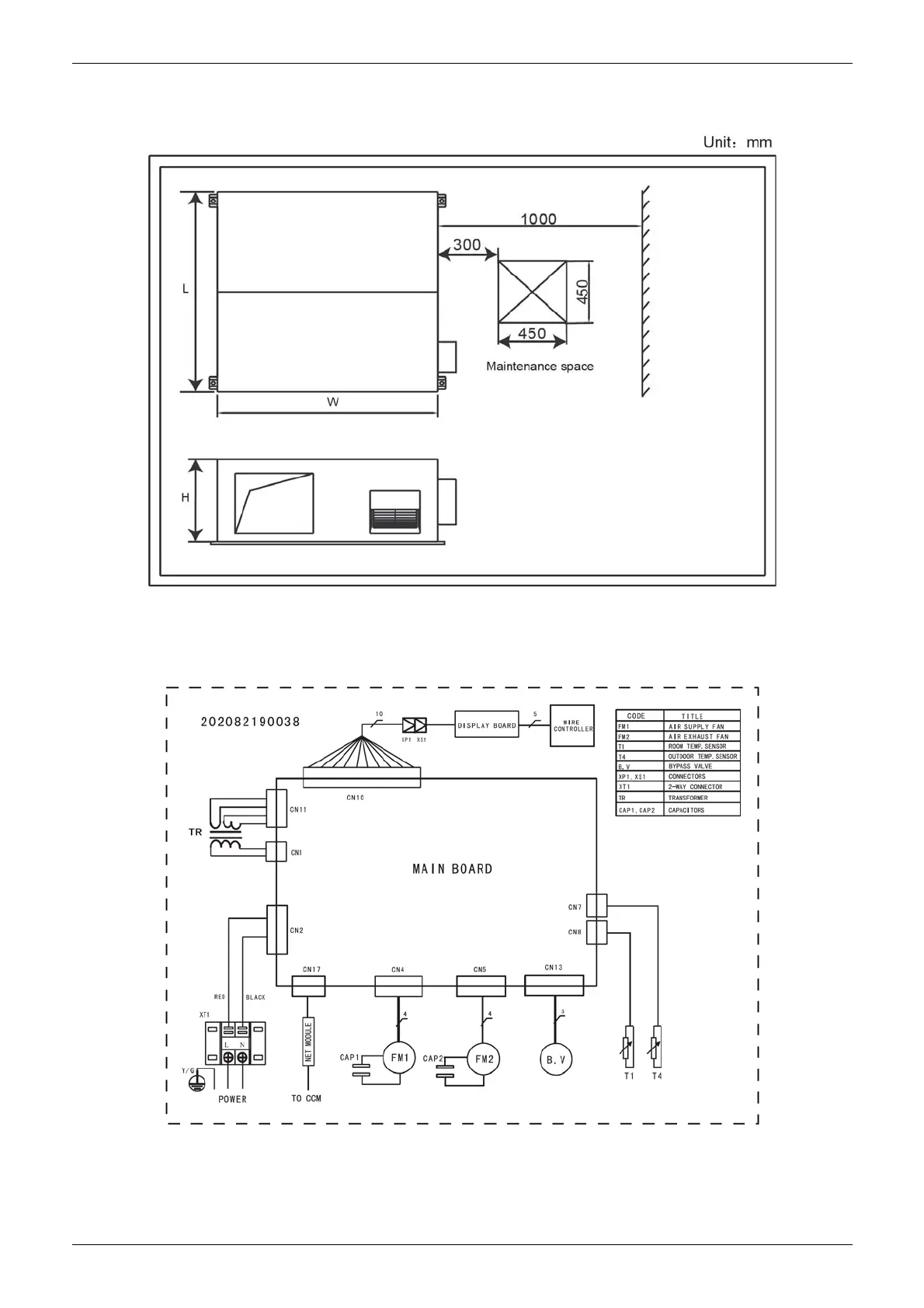
MCAC-KTSM-2009-03 Maintenance Space
Heat Recovery Ventilation 9
6. Maintenance Space
7. Wiring Diagrams
7.1 HRV-200 HRV-300 HRV-400 HRV-500 HRV-800 HRV-1000

Other manuals for Midea HRV-1500

Related product manuals