EasyManua.ls Logo

Midea M2OC1-18HRDN1-Q - Technical Diagrams; Model-Specific Wiring Diagrams

Midea M2OC1-18HRDN1-Q
47 pages
Print Icon
To Next Page IconTo Next Page
To Next Page IconTo Next Page
To Previous Page IconTo Previous Page
To Previous Page IconTo Previous Page
Loading...
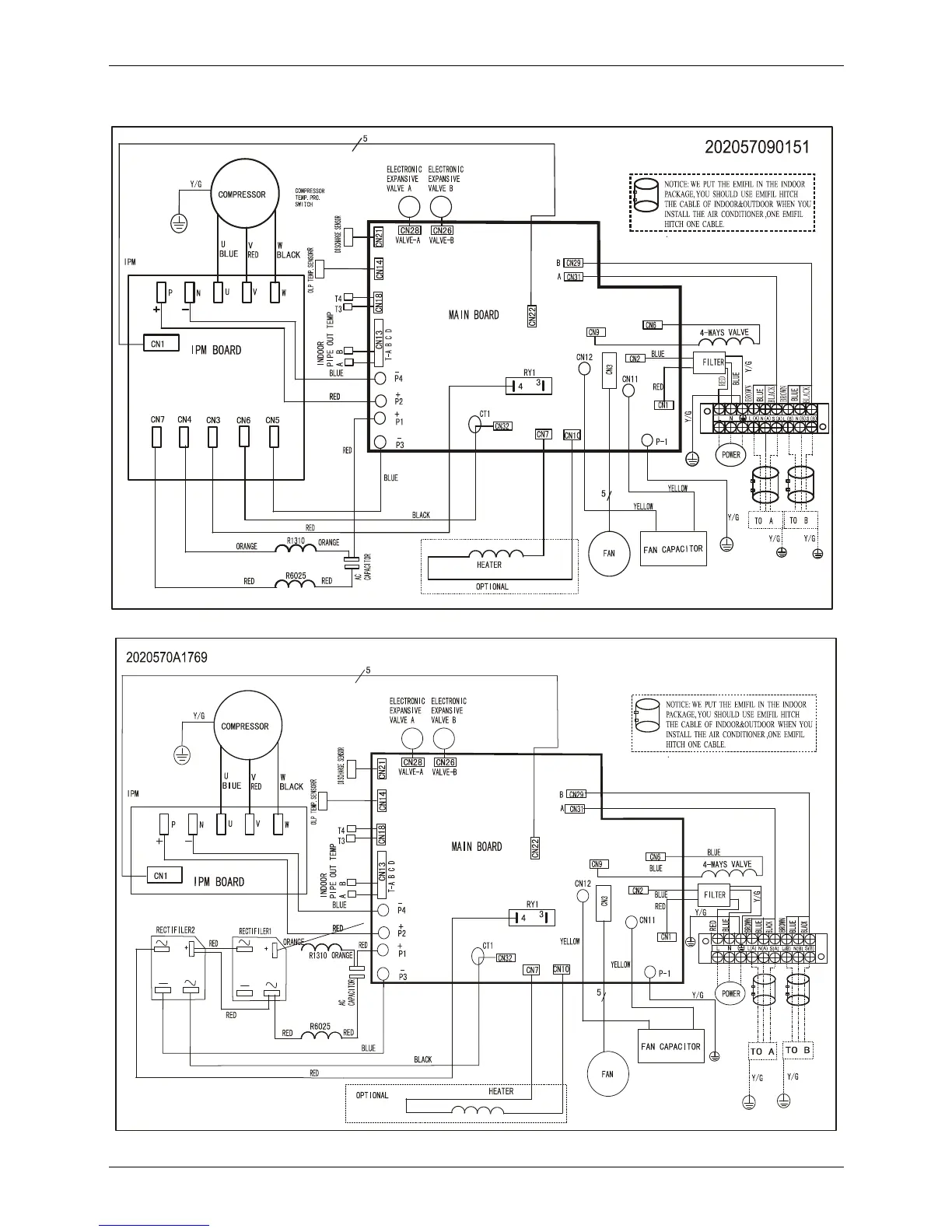
4. Wiring Diagram
4.1 M2OC-14HRDN1-Q
4.2 M2OC-14HRDN1

Related product manuals