EasyManua.ls Logo

Midea MCD-48HRN1-R - Page 60

Midea MCD-48HRN1-R
264 pages
Print Icon
To Next Page IconTo Next Page
To Next Page IconTo Next Page
To Previous Page IconTo Previous Page
To Previous Page IconTo Previous Page
Loading...
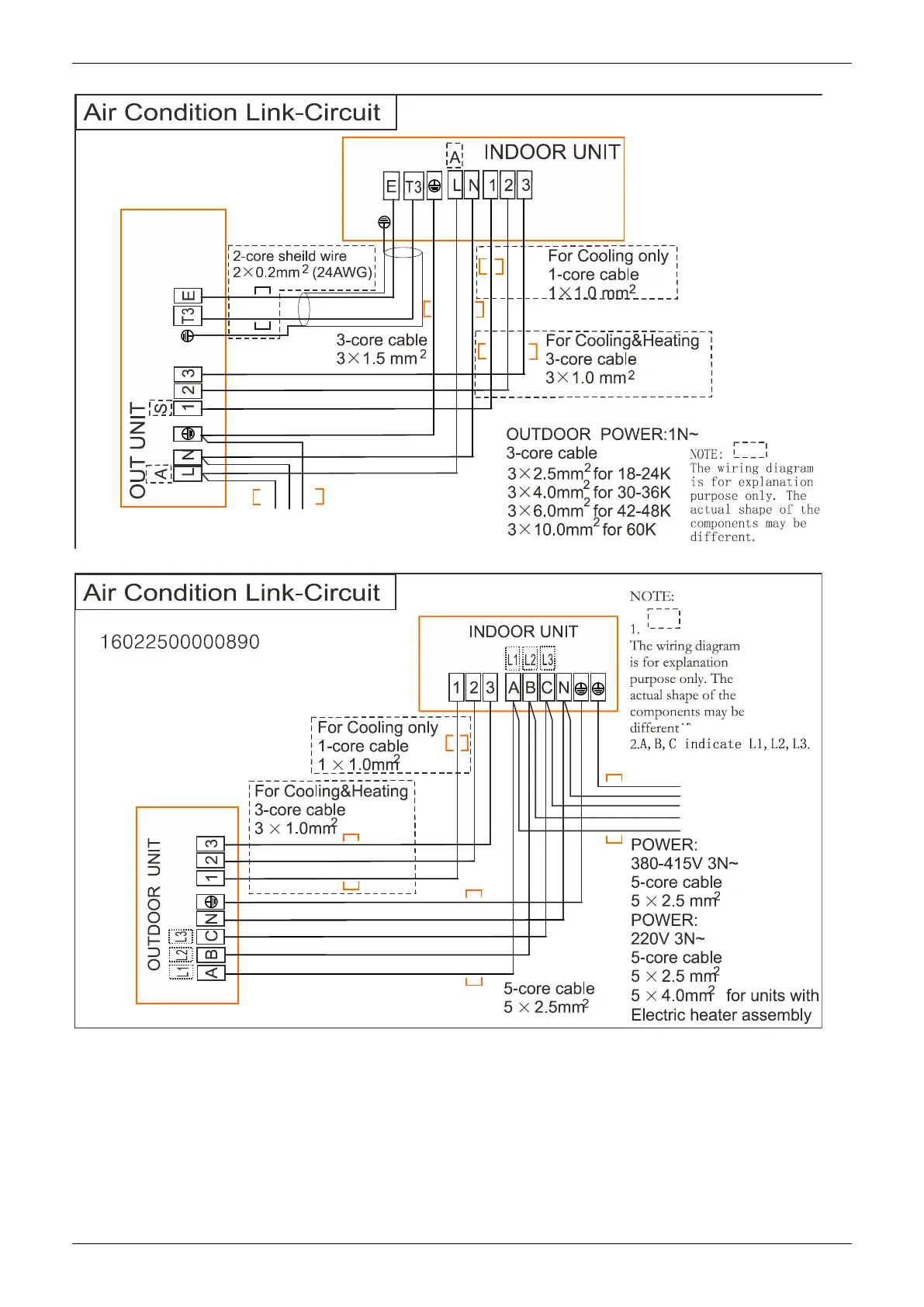
Field Wiring
56 Duct Type
MTB-36CWN1-QB6
MTB-36CWN1-RB4, MTB-48CWN1-R, MTB-60CWN1-R, MTB-48HWN1-R, MTB-60HWN1-R

Table of Contents

Related product manuals