EasyManua.ls Logo

Midea MFM-24ARN1-Q - Re-installation: Evacuating the System

Midea MFM-24ARN1-Q
55 pages
Print Icon
To Next Page IconTo Next Page
To Next Page IconTo Next Page
To Previous Page IconTo Previous Page
To Previous Page IconTo Previous Page
Loading...
Floor Standing MFM DM16-01.01.25en
Service manual 28
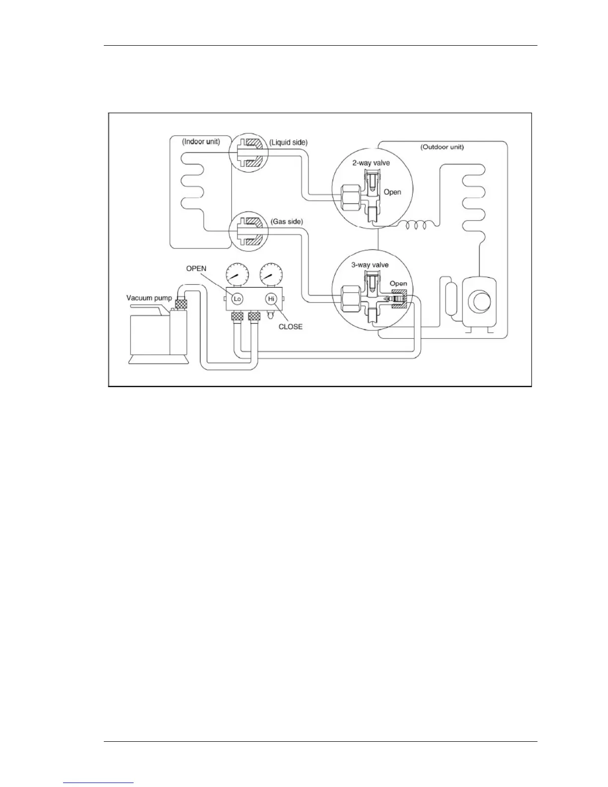
6.3.6 Re-installation while the outdoor unit need to be repaired
1. Evacuation forthe whole system
Procedure:
1).Confirm that both the 2-way and 3-way valves are set to the opened position.
2). Connect the vacuum pump to 3-way valve’s service port.
3). Evacuation for approximately one hour. Confirm that the compound meter indicates
-0.1Mpa.
4). Close the valve (Low side) on the charge set, turn off the vacuum pump, and confirm that
the gauge needle does not move (approximately 5 minutes after turning off the vacuum pump).
5). Disconnect the charge hose from the vacuum pump.

Related product manuals