EasyManua.ls Logo

Midea MJ-BL6006WE - Environmental Protection

Midea MJ-BL6006WE
24 pages
Go to English
Print Icon
To Previous Page IconTo Previous Page
To Previous Page IconTo Previous Page
Loading...
10
Strong smelling foods such cumin and coriander, and some vegetables such as
carrots may leave an odour or stain.
To remove, pour warm soapy water and fill to the MAX mark. Set aside to soak for 5
minutes. Then wash with a mild detergent and warm water, rinse well and dry
thoroughly. Store blending bottle and jug with lids off.
Store your blender upright with the blender jug assembled on the motor base, or
beside it. Do not place anything on top. To allow air to circulate, keep the lid off.
Stubborn food stains and odours
CLEANING AND MAINTENANCE
Maintaining
The appliance must not be disposed of with regular household waste.
At the end of its service life, the appliance must be properly delivered
to a collection point for the recycling of electrical and electronic
equipment. By Collection and recycling of old appliances,
you are making an important contribution to the conservation of our
natural resources and provide for environmentally sound and healthy
disposal.
Environmental protection
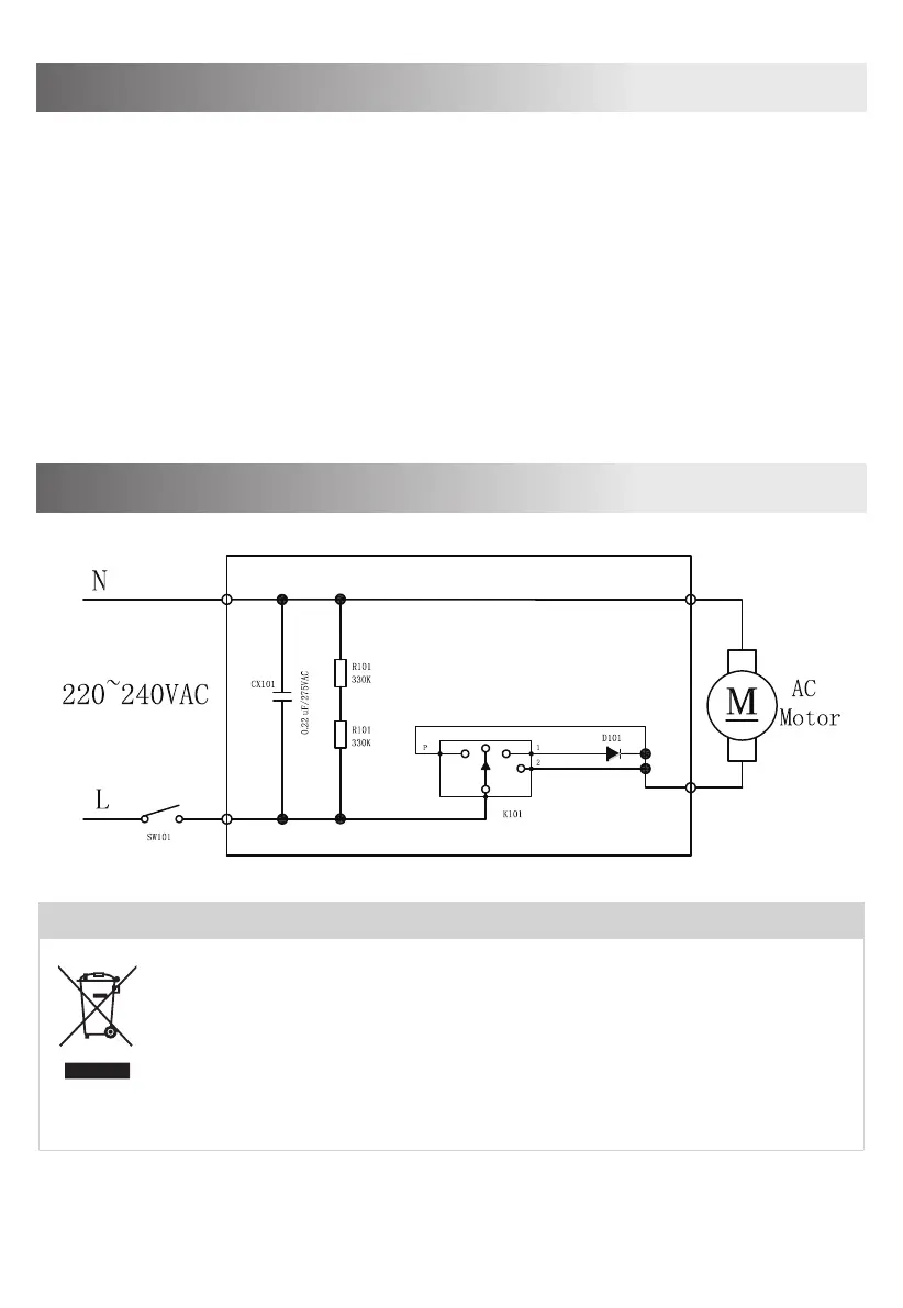
CIRCUIT PRINCIPLE DIAGRAM
Midea Italia S.r.l. a socio unico
Viale Luigi Bodio 29/37 20158 Milano Italia
midea.com/it

Related product manuals