EasyManua.ls Logo

Midea MOU-48HN1-R

Midea MOU-48HN1-R
264 pages
To Next Page IconTo Next Page
To Next Page IconTo Next Page
To Previous Page IconTo Previous Page
To Previous Page IconTo Previous Page
Loading...
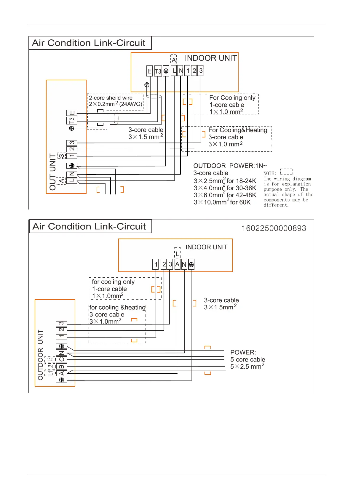
Field Wiring
A6 Duct Type 75
MTI-30HWN1-Q, MTI-36HWN1-Q, MTI-24CWN1-Q, MTI-30CWN1-Q
MTI-36HWN1-R, MTI-36CWN1-R, MTI-48CWN1-R, MTI-60HWN1-R

Table of Contents

Related product manuals