EasyManua.ls Logo

Midea MOU-48HN1-RB6W

Midea MOU-48HN1-RB6W
55 pages
To Next Page IconTo Next Page
To Next Page IconTo Next Page
To Previous Page IconTo Previous Page
To Previous Page IconTo Previous Page
Loading...
DM16-01.01.25en Floor Standing MFM
11 Service manual
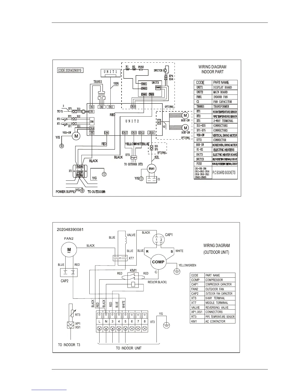
5 . Wiring diagram
5.1 MFM-24ARN1-Q
Indoor unit:
Outdoor unit:
MOF-24HN1-QB8

Related product manuals