EasyManua.ls Logo

Midea MRCT-150CWN1-D(C) - Power Supply Wiring Diagram; Wired Controller Wiring Diagram (Standard Wired Controller)

Midea MRCT-150CWN1-D(C)
141 pages
Print Icon
To Next Page IconTo Next Page
To Next Page IconTo Next Page
To Previous Page IconTo Previous Page
To Previous Page IconTo Previous Page
Loading...
Midea R410A Tropical ClimaCreator Series Rooftop Package 220V 3Ph 60Hz MCAC-RTT6S-201701
71
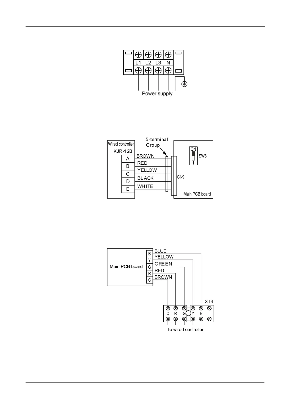
Power supply wiring diagram
Wired controller wiring diagram (Standard wired controller)
MRCT-100CWN1-D(C), MRCT-150CWN1-D(C),
MRCT-200CWN1-D(C), MRCT-250CWN1-D(C):
The standard wired controller model of these units is KJR-12B/dp(T)-E. When KJR-12B is
connected, the switch SW3 should be set to ON.
MRCT-075CWN1-D(C):
The standard wired controller model of these units is KJR-25B.

Table of Contents

Related product manuals