EasyManua.ls Logo

Midea MTB-24CWN1-Q - Page 118

Midea MTB-24CWN1-Q
264 pages
Print Icon
To Next Page IconTo Next Page
To Next Page IconTo Next Page
To Previous Page IconTo Previous Page
To Previous Page IconTo Previous Page
Loading...
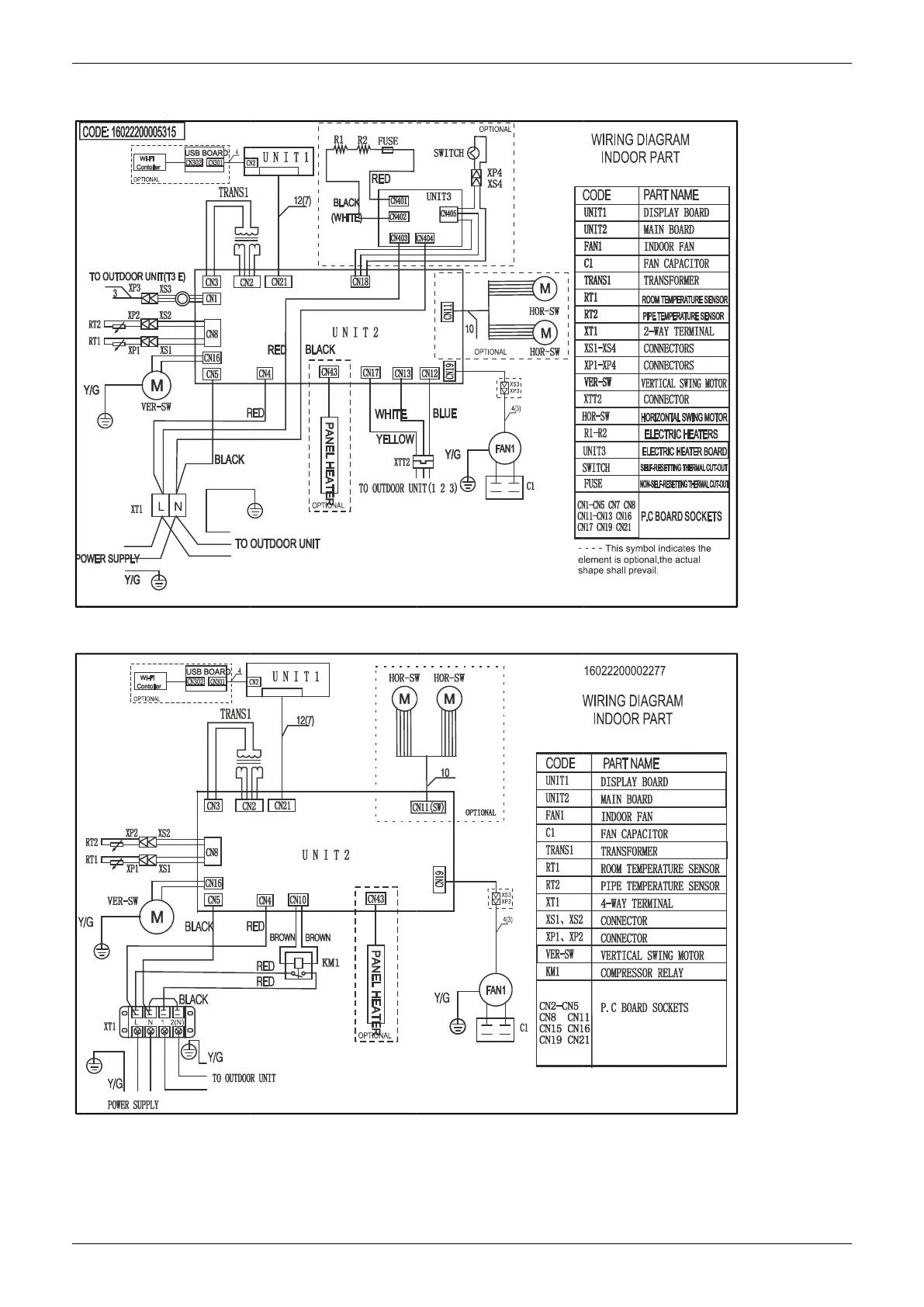
Wiring Diagrams
114
4.
MFGA
MFGA
Wiring Diagrams
114
Wiring Diagrams
4.
MFGA
-
24ARN1
MFGA
-
18CRN1
Wiring Diagrams
Wiring Diagrams
24ARN1
-Q
18CRN1
-QB6
Wiring Diagrams
GA Floor
GA Floor
-
standing type
standing type

Table of Contents

Related product manuals