EasyManua.ls Logo

Midea MTB-24CWN1-Q - Page 184

Midea MTB-24CWN1-Q
264 pages
Print Icon
To Next Page IconTo Next Page
To Next Page IconTo Next Page
To Previous Page IconTo Previous Page
To Previous Page IconTo Previous Page
Loading...
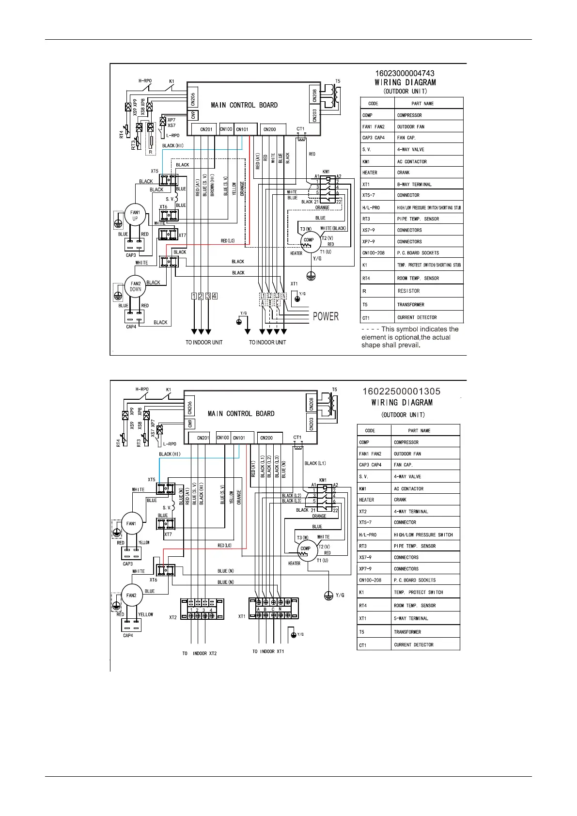
Wiring Diagrams
180 Outdoor Units
MOE30U-60HN1-R
MOUA-60HN1-R

Table of Contents

Related product manuals