EasyManua.ls Logo

Midea MUE-18HRN1-Q - Page 60

Midea MUE-18HRN1-Q
264 pages
To Next Page IconTo Next Page
To Next Page IconTo Next Page
To Previous Page IconTo Previous Page
To Previous Page IconTo Previous Page
Loading...
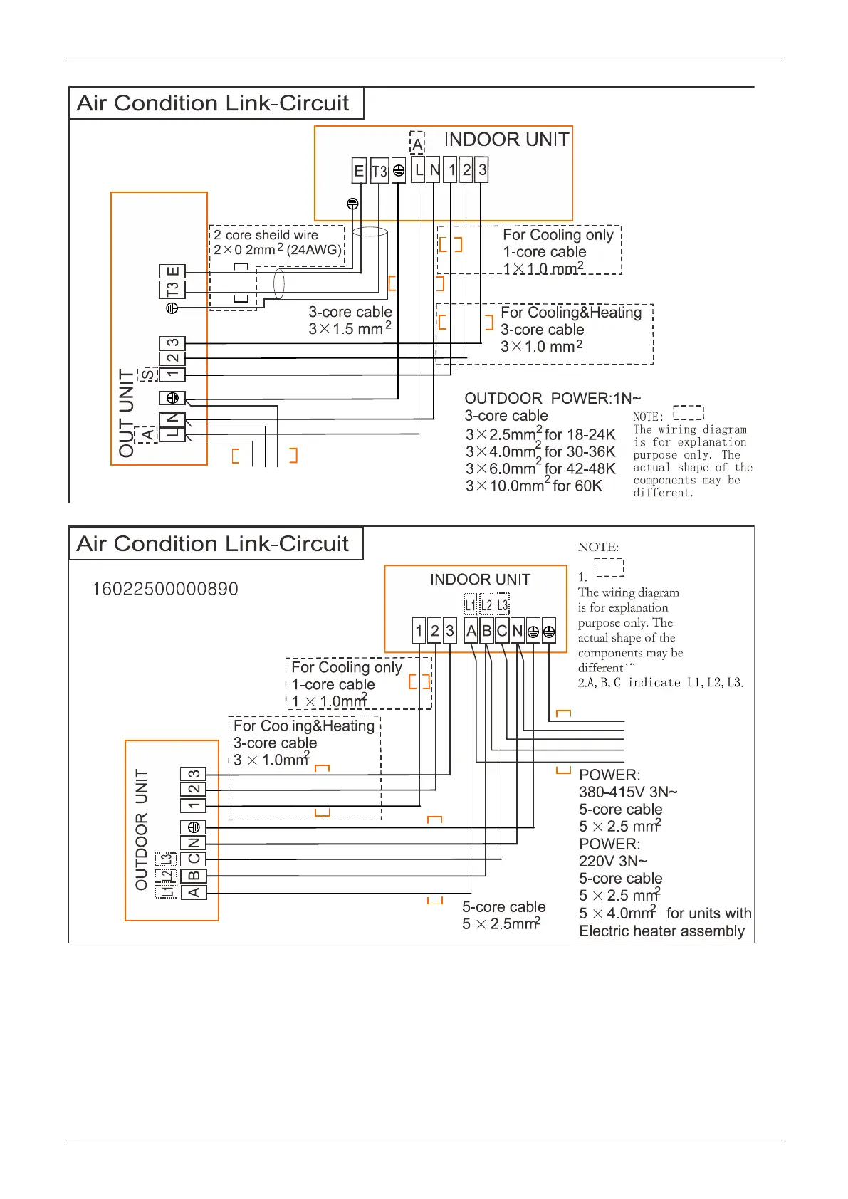
Field Wiring
56 Duct Type
MTB-36CWN1-QB6
MTB-36CWN1-RB4, MTB-48CWN1-R, MTB-60CWN1-R, MTB-48HWN1-R, MTB-60HWN1-R

Table of Contents

Related product manuals