EasyManua.ls Logo

Mighty Mac LSC505 - Page 16

Default Icon
19 pages
Print Icon
To Next Page IconTo Next Page
To Next Page IconTo Next Page
To Previous Page IconTo Previous Page
To Previous Page IconTo Previous Page
Loading...
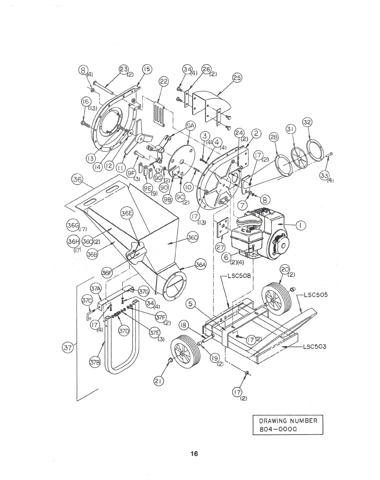
37
25
LSC505
-",""-LSC503
21
DRAWING
NUMBER
804-0000
16

Related product manuals