EasyManua.ls Logo

Milwaukee 9561 - SECTION VII WIRING; 1-Phase Wiring Diagrams

Milwaukee 9561
40 pages
Print Icon
To Next Page IconTo Next Page
To Next Page IconTo Next Page
To Previous Page IconTo Previous Page
To Previous Page IconTo Previous Page
Loading...
15
MJC680-2 Rev AA April 2019
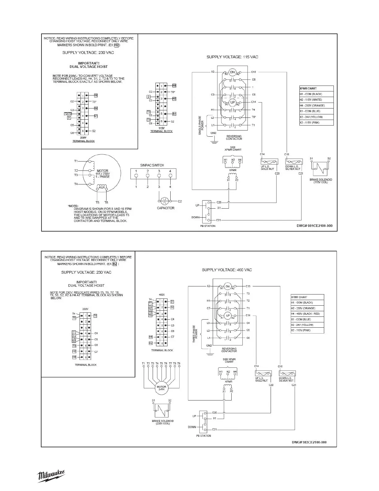
SECTION VII — WIRING
Figure 9A — Wiring Diagram for 115/230V - 1 Phase Models
Figure 9B — Wiring Diagram for 1-Speed, 230/460V - 3 Phase Models