EasyManua.ls Logo

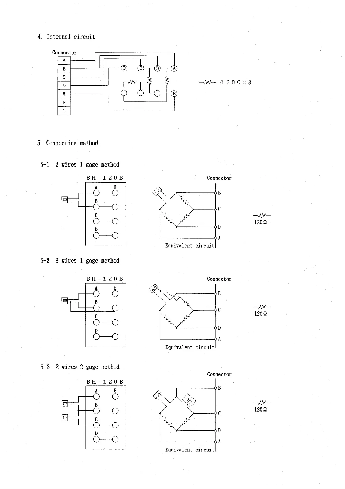
Minebea DAS-406B - Internal Circuit; Connecting Method; 2 Wires 1 Gage Method; 3 Wires 1 Gage Method

Default Icon
34 pages
Print Icon
To Next Page IconTo Next Page
To Next Page IconTo Next Page
To Previous Page IconTo Previous Page
To Previous Page IconTo Previous Page
Loading...